Schächte
Schächte aus Beton sind äusserst langlebig und zudem wirtschaftlich überzeugend. Wir liefern schnell ab Lager und fertigen massgeschneiderte Bauteile für jegliche Kanalisationsprojekte.
In der Siedlungsentwässerung erfordern die verschiedenen örtlichen Gegebenheiten Schächte, die individuell konzipiert werden können. Mit unseren Schachtbauteilen aus Beton, welche die baulichen und betrieblichen Anforderungen genau erfüllen, lassen sich Kanalisationsprojekte aller Art ausrüsten. Unsere Marke CENTUB® steht für ein Kanalisationsrohrsystem, das punkto Sicherheit und Qualität keine Wünsche offen lässt.
Langlebiger Kanalisationsschacht
Schächte kommen normalerweise immer dort zum Einsatz, wo die Kanalisation eine Veränderung erhält. An Stellen mit Richtungsänderungen, Gefällewechseln oder einem Wechsel des Kalibers dienen Schächte zur Adaption der Kanalisation an die neuen Begebenheiten. Kommen an einem Ort mehrere Leitungen zusammen, sind unsere Massschachtunterteile mit Zuläufen das richtige Mittel, um diese Leitungen zu vereinen. Dank CNC-unterstützter Fertigung sind auf Ihr Projekt massgeschneiderte Betonelemente problemlos erstellbar. Eine weitere Funktion nehmen Schächte als Einstieg für den Unterhalt ein. Solche Kanalisationsschächte werden in regelmässigen Abständen ins Kanalisationssystem eingebaut. Ein- und Ausläufe von Schächten sind in der Regel an Betonrohre angeschlossen.
Umfangreiches Sortiment
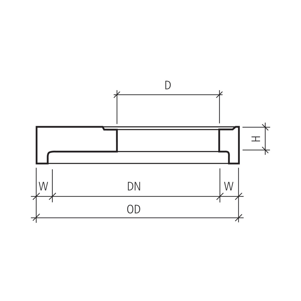
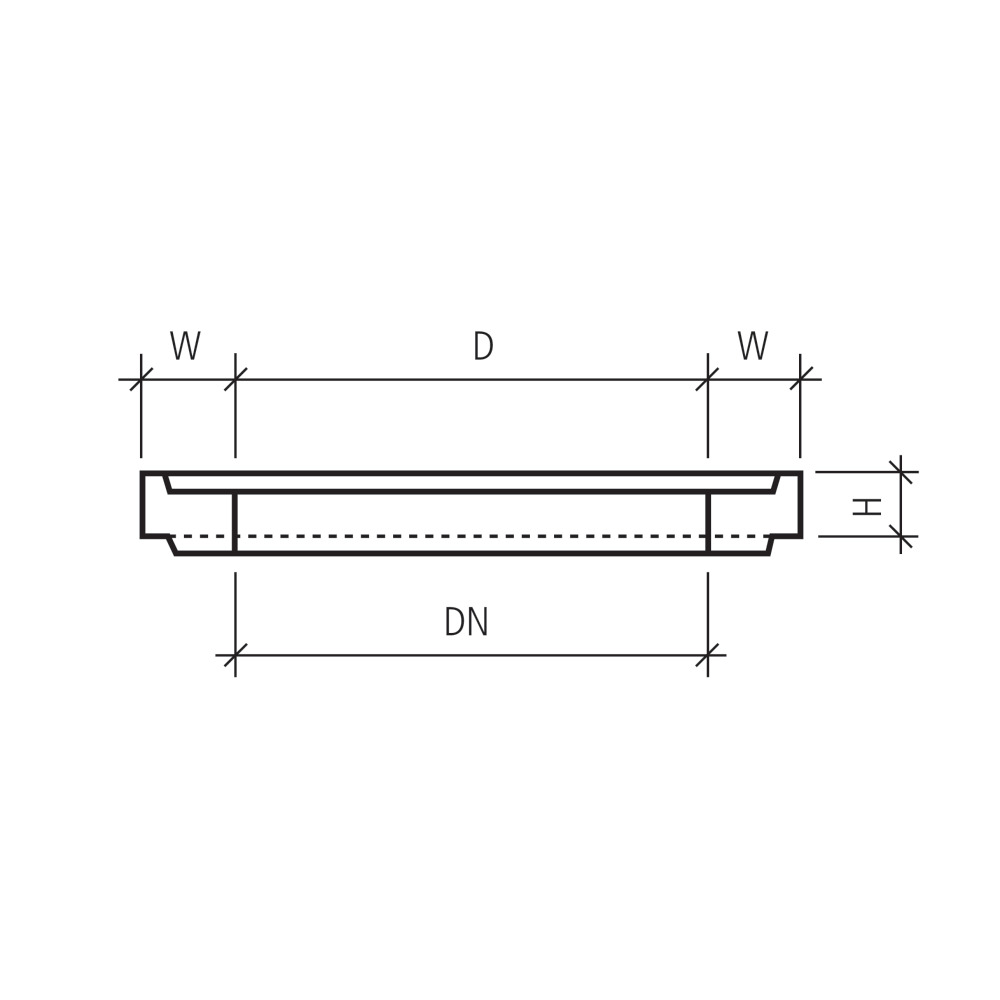
Schächte sind modular aufgebaut: Sie bestehen aus einem Unterteil, Schachtringen sowie Konen oder Abdeckplatten. Unsere Schachtbauteile sind für die Verwendung von Keilgleitdichtungen konzipiert. So benötigen Sie keine Hilfsmittel für die Formung von Anschlüssen und Gerinnen. Unser Sortiment umfasst:
- Massschachtunterteile
- Normschachtböden
- Durchlaufschachtunterteile
- Spezialschachtunterteile
- Schachtringe
- Schachtkonen
- Abdeckplatten
- Fussauflageringe und Übergangsplatten
- Keilgleitdichtungen
Vielfältige Schächte, schnell geliefert
Der grosse Vorteil unserer Schächte sind die vielfältigen Ausführungen. Nebst der wahlweise runden oder ovalen Form sind Spezialanfertigungen problemlos möglich. Da wir viele Schachtbauteile an Lager haben, weisen wir schnelle Reaktions- und kurze Lieferzeiten auf kurzfristige Bestellungen auf. Diese Flexibilität zeichnet uns aus. Ausserdem sind unsere Schächte mit praktisch allen Strassenabdeckungen kompatibel. Der Baustoff Beton ist für Schächte optimal geeignet, denn Schachtbauteile aus Beton sind dicht, langlebig, tragfähig, beständig und lagestabil sowie auch wirtschaftlich die beste Lösung.
Nach Normen und Vorschriften handeln
Beim Einbau von Schächten sind stets unterschiedlichste Rahmenbedingungen einzuhalten, z. B. Normen betreffend Dichtigkeit und Festigkeit. Zum Teil weisen Kantone eigene Regeln bei der Qualität und den Ausführungsdetails auf. Hauptsächlich gelten SIA- und europäisch-harmonisierte Normen wie die SIA-Norm 190 «Kanalisationen» oder die SN EN 1917 zu «Einstieg- und Kontrollschächte aus Beton, Stahlfaserbeton und Stahlbeton». Ausserdem sind die Richtlinien des Verbands Schweizer Abwasser- und Gewässerschutzfachleute (VSA) zu beachten. Das Versetzen von Schachtbauwerken muss von ausgebildetem Fachpersonal durchgeführt werden. Nur so ist die Qualität und Langlebigkeit von Kanalisationen gewährleistet. Unsere Fachleute beraten Sie bei der Wahl der Schachtbauteile sowie beim Versetzen, damit Ihre Schächte ihren Zweck voll und ganz erfüllen können.
Wir liefern rasch und auf direktem Weg zu Ihnen
CREABETON AG – eine gute Entscheidung
Wir bieten Ihnen mehr als nur erstklassige Betonprodukte.
-
consulting
Professionelle Beratung Wir beraten Sie individuell mit unserem Know-how und unterstützen Sie in der Planung Ihres Bauvorhabens.
-
order
Bestellung ohne Aufwand Sie bestellen, alles andere erledigen wir. Überlassen Sie das Rechnen, die Koordination und die Lieferung uns.
-
delivery
Kurze Lieferfristen Wir reagieren rasch auf Anfragen, um Ihnen schnelle Lieferzeiten und Termintreue zu garantieren.
-
environment
Hohes Umweltbewusstsein Wir nehmen den kürzesten Lieferweg und investieren in ökonomisches Fahren, um den CO2-Ausstoss zu reduzieren.