CENTUB® Massschachtunterteile rund
Vorfabrizierte CENTUB® Massschachtunterteile sind exakt auf Ihre Anforderungen abgestimmt. Die computergesteuerte Fertigung ermöglicht individuelle Schachtunterteile von höchster Qualität.
CENTUB® Massschachtunterteile sind Teil des bewährten CENTUB® Kanalisationsrohrsystems, das für Qualität und Sicherheit bekannt ist. Sie erfüllen die immer höheren Anforderungen des Gewässerschutzgesetzes an die Siedlungsentwässerung. Dank CNC-unterstützter Fertigung sind massgenaue und individuelle Massschachtunterteile – exakt auf Ihr Projekt abgestimmt – problemlos möglich.
Bauteile von absoluter Dichtheit
Mit der CNC-unterstützten Fertigungstechnik haben wir die Möglichkeit, unsere CENTUB® Massschachtunterteile objektspezifisch so anzupassen, dass sie genau auf die örtlichen Gegebenheiten zugeschnitten sind. Nachdem Sie uns die technischen Daten übermittelt haben, fräsen wir aus einem Styropor-Rohling die optimalen hydraulischen Verläufe der Gerinne. Das Ergebnis dieser CNC-gesteuerten, vollvariablen Fräsung sind monolithische CENTUB® Massschachtunterteile für Kanalisationen von absoluter Dichtheit. Die computergesteuerte Fertigung garantiert hochpräzise und normenkonforme Schachtunterteile, die alle baulichen und betrieblichen Anforderungen erfüllen und rasch auf die Baustelle geliefert werden können.
Projektspezifische Zuläufe
CENTUB® Massschachtunterteile stellen wir in diversen Nennweiten und verschiedenen Formen her. Sie haben die Wahl zwischen CENTUB® Massschachtunterteile rund und CENTUB® Massschachtunterteile oval. Die Spezifikationen für zusätzliche Leitungsanschlüsse mit Rinnenausbildung sind unter CENTUB® Massschachtunterteile Zuläufe zu finden. CENTUB® Spezialschachtunterteile sind ebenfalls erhältlich. Als Anschluss an das Schachtunterteil dienen verschiedenste Rohrtypen sowie Schachtringe, Konen oder Abdeckplatten. Um die Dauerhaftigkeit unserer CENTUB® Massschachtunterteile zu sichern, sind unsere Versetzhinweise für Abwasserleitungssysteme zu beachten.
- |
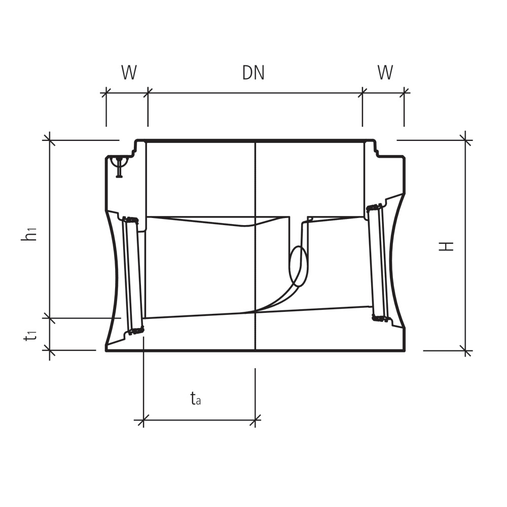
| Sortierung | Art.-Nr. | Produktinformationen | LF | Spez. | GR | HW | DN | H (mm) | h1 (mm) | W (mm) | t1 (mm) | G (kg/Stk.) | Per | Preis | |||
|---|---|---|---|---|---|---|---|---|---|---|---|---|---|---|---|---|---|
| 6068 | 195631 |
CENTUB Massschachtunterteil |
stock-3 | NW 100 – 150 mm | GR AH | HW 11 | DN 800 | H (mm) 500 | h1 (mm) 350 | W (mm) 180 | t1 (mm) 150 | G (kg/Stk.) ca. 940 | Stk. | 950.00 CHF |
|
|
|
| 6069 | 165500 |
CENTUB Massschachtunterteil |
stock-3 | NW 100 – 250 mm | GR AH | HW 11 | DN 800 | H (mm) 625 | h1 (mm) 475 | W (mm) 180 | t1 (mm) 150 | G (kg/Stk.) ca. 1120 | Stk. | 995.00 CHF |
|
|
|
| 6070 | 192912 |
CENTUB Massschachtunterteil |
stock-3 | NW 100 – 300 mm | GR AH | HW 11 | DN 800 | H (mm) 750 | h1 (mm) 550 | W (mm) 180 | t1 (mm) 200 | G (kg/Stk.) ca. 1235 | Stk. | 1170.00 CHF |
|
|
|
| 6071 | 166905 |
CENTUB Massschachtunterteil |
stock-3 | NW 100 – 300 mm | GR AH | HW 11 | DN 800 | H (mm) 750 | h1 (mm) 600 | W (mm) 180 | t1 (mm) 150 | G (kg/Stk.) ca. 1320 | Stk. | 1060.00 CHF |
|
|
|
| 6072 | 174464 |
CENTUB Massschachtunterteil |
stock-3 | NW 100 – 400 mm | GR AH | HW 11 | DN 800 | H (mm) 875 | h1 (mm) 675 | W (mm) 180 | t1 (mm) 200 | G (kg/Stk.) ca. 1405 | Stk. | 1230.00 CHF |
|
|
|
| 6073 | 178268 |
CENTUB Massschachtunterteil |
stock-3 | NW 100 – 400 mm | GR AH | HW 11 | DN 800 | H (mm) 875 | h1 (mm) 725 | W (mm) 180 | t1 (mm) 150 | G (kg/Stk.) ca. 1500 | Stk. | 1130.00 CHF |
|
|
|
| 6074 | 198987 |
CENTUB Massschachtunterteil |
stock-3 | NW 100 – 400 mm | GR AH | HW 11 | DN 800 | H (mm) 1000 | h1 (mm) 800 | W (mm) 180 | t1 (mm) 200 | G (kg/Stk.) ca. 1550 | Stk. | 1250.00 CHF |
|
|
|
| 6075 | 137491 |
CENTUB Massschachtunterteil |
stock-3 | NW 100 – 400 mm | GR AH | HW 11 | DN 800 | H (mm) 1125 | h1 (mm) 925 | W (mm) 180 | t1 (mm) 200 | G (kg/Stk.) ca. 1715 | Stk. | 1310.00 CHF |
|
|
|
| 6076 | 179318 |
CENTUB Massschachtunterteil |
stock-3 | NW 100 – 300 mm | GR AH | HW 11 | DN 1000 | H (mm) 750 | h1 (mm) 550 | W (mm) 150 | t1 (mm) 200 | G (kg/Stk.) ca. 1545 | Stk. | 1170.00 CHF |
|
|
|
| 6077 | 100442 |
CENTUB Massschachtunterteil |
stock-3 | NW 100 – 300 mm | GR AH | HW 11 | DN 1000 | H (mm) 750 | h1 (mm) 550 | W (mm) 210 | t1 (mm) 200 | G (kg/Stk.) ca. 1995 | Stk. | 1170.00 CHF |
|
|
|
| 6078 | 189315 |
CENTUB Massschachtunterteil |
stock-3 | NW 100 – 400 mm | GR AH | HW 11 | DN 1000 | H (mm) 875 | h1 (mm) 675 | W (mm) 150 | t1 (mm) 200 | G (kg/Stk.) ca. 1860 | Stk. | 1360.00 CHF |
|
|
|
| 6079 | 191807 |
CENTUB Massschachtunterteil |
stock-3 | NW 100 – 400 mm | GR AH | HW 11 | DN 1000 | H (mm) 875 | h1 (mm) 675 | W (mm) 210 | t1 (mm) 200 | G (kg/Stk.) ca. 2375 | Stk. | 1360.00 CHF |
|
|
|
| 6080 | 193156 |
CENTUB Massschachtunterteil |
stock-3 | NW 100 – 400 mm | GR AH | HW 11 | DN 1000 | H (mm) 1000 | h1 (mm) 800 | W (mm) 150 | t1 (mm) 200 | G (kg/Stk.) ca. 1960 | Stk. | 1520.00 CHF |
|
|
|
| 6081 | 173779 |
CENTUB Massschachtunterteil |
stock-3 | NW 100 – 500 mm | GR AH | HW 11 | DN 1000 | H (mm) 1000 | h1 (mm) 800 | W (mm) 210 | t1 (mm) 200 | G (kg/Stk.) ca. 2765 | Stk. | 1800.00 CHF |
|
|
|
| 6082 | 172369 |
CENTUB Massschachtunterteil |
stock-3 | NW 100 – 400 mm | GR AH | HW 11 | DN 1000 | H (mm) 1125 | h1 (mm) 925 | W (mm) 150 | t1 (mm) 200 | G (kg/Stk.) ca. 2130 | Stk. | 1720.00 CHF |
|
|
|
| 6083 | 152873 |
CENTUB Massschachtunterteil |
stock-3 | NW 100 – 600 mm | GR AH | HW 11 | DN 1000 | H (mm) 1125 | h1 (mm) 925 | W (mm) 210 | t1 (mm) 200 | G (kg/Stk.) ca. 3370 | Stk. | 1880.00 CHF |
|
|
|
| 6084 | 189382 |
CENTUB Massschachtunterteil |
stock-3 | NW 100 – 600 mm | GR AH | HW 11 | DN 1000 | H (mm) 1250 | h1 (mm) 1050 | W (mm) 210 | t1 (mm) 200 | G (kg/Stk.) ca. 3335 | Stk. | 1980.00 CHF |
|
|
|
| 6085 | 165104 |
CENTUB Massschachtunterteil |
stock-3 | NW 100 – 600 mm | GR AH | HW 11 | DN 1000 | H (mm) 1375 | h1 (mm) 1175 | W (mm) 210 | t1 (mm) 200 | G (kg/Stk.) ca. 3620 | Stk. | 2040.00 CHF |
|
|
|
| 6086 | 189314 |
CENTUB Massschachtunterteil |
stock-3 | NW 100 – 300 mm | GR AH | HW 11 | DN 1200 | H (mm) 750 | h1 (mm) 550 | W (mm) 180 | t1 (mm) 200 | G (kg/Stk.) ca. 2325 | Stk. | 2260.00 CHF |
|
|
|
| 6087 | 160750 |
CENTUB Massschachtunterteil |
stock-3 | NW 100 – 300 mm | GR AH | HW 11 | DN 1200 | H (mm) 750 | h1 (mm) 550 | W (mm) 260 | t1 (mm) 200 | G (kg/Stk.) ca. 3015 | Stk. | 2260.00 CHF |
|
|
|
| 6088 | 139712 |
CENTUB Massschachtunterteil |
stock-3 | NW 100 – 400 mm | GR AH | HW 11 | DN 1200 | H (mm) 875 | h1 (mm) 675 | W (mm) 180 | t1 (mm) 200 | G (kg/Stk.) ca. 2645 | Stk. | 2320.00 CHF |
|
|
|
| 6089 | 167209 |
CENTUB Massschachtunterteil |
stock-3 | NW 100 – 400 mm | GR AH | HW 11 | DN 1200 | H (mm) 875 | h1 (mm) 675 | W (mm) 260 | t1 (mm) 200 | G (kg/Stk.) ca. 3450 | Stk. | 2320.00 CHF |
|
|
|
| 6090 | 144893 |
CENTUB Massschachtunterteil |
stock-3 | NW 100 – 500 mm | GR AH | HW 11 | DN 1200 | H (mm) 1000 | h1 (mm) 800 | W (mm) 180 | t1 (mm) 200 | G (kg/Stk.) ca. 2910 | Stk. | 2410.00 CHF |
|
|
|
| 6091 | 181771 |
CENTUB Massschachtunterteil |
stock-3 | NW 100 – 500 mm | GR AH | HW 11 | DN 1200 | H (mm) 1000 | h1 (mm) 800 | W (mm) 260 | t1 (mm) 200 | G (kg/Stk.) ca. 3830 | Stk. | 2410.00 CHF |
|
|
gegossen, (je nach Gefälle Muffenverschiebung möglich) inkl. Rinnenausbildung, inkl. Keilgleitdichtungen für CENTUB®-, PP-, PEHD-, PVC-U-, GFK-, GGG- und STZ-Rohre bei Aus- und Einlauf
- Informationen zum maximalen Anschlussgefälle, Höhenversatze und Zwischenwinkel auf Anfrage.
- Anschlüsse NW 900 - 1200 nur für CENTUB®-Röser Stahlbetonrohre möglich.
- Der Wert ta ist variabel und kann bei Bedarf angefragt werden.
- Inkl. Kugelkopftraganker DN 800 LK 1.3, DN 1000 LK 2.5, DN 1200 & DN1500 LK 5.0, DN 2000 LK 7.5
Mit CAD- & BIM-Daten erleichtern wir Ihnen die digitale Planung von Bauprojekten.
3D-Zeichnungen eines Bauvorhabens ermöglichen eine sichere Planung und die Vernetzung projektrelevanter Informationen. Die originalgetreuen Visualisierungen sorgen durch eine gesteigerte Effektivität für Kostensicherheit, Termintreue und Qualität.
Gerne stellen wir Ihnen von einer Vielzahl unserer Artikeln CAD- und BIM-Daten in den drei Formaten DWG, IFC und NDW zur Verfügung.