Kanalisation
In der Kanalisation sind langlebige Abwasserleitungen gefordert. Unsere Betonprodukte für den Kanalisationsbau erfüllen alle Anforderungen und Sie profitieren zudem von unserem Know-how.
Die Kanalisation ist eine enorm wichtige Infrastruktur, die laufend erweitert und erneuert wird. Der Einbau von Rohren und Schächten aus Beton hat sich dabei bewährt, denn sie bieten viele Vorteile. Die Kombination aus innovativen Lösungen, umfangreichem Sortiment und langjährigem Wissen macht uns zum führenden Anbieter für Betonprodukte im Kanalisationsbau – und damit zum idealen Partner für Ihr Projekt.
Betonrohre für alle Anforderungen
Abwasserleitungen werden heutzutage noch immer hauptsächlich als Freispiegelleitungen im offenen Graben realisiert. Dabei kommen für die Rohrleitungen wie auch für die Schachtbauwerke vielfach Betonprodukte zum Einsatz. Von den Anforderungen an die chemische Beständigkeit (Expositionsklasse) ist abhängig, ob in der Kanalisation Beton- und Stahlbetonrohre mit geringer, mässiger oder hoher chemischer Beständigkeit verwendet werden. Ist eine hohe Beständigkeit gefragt, empfehlen sich innen beschichtete Beton- und Stahlbetonrohre oder Polymerbetonrohre.
Vollsortiment für den Kanalisationsbau
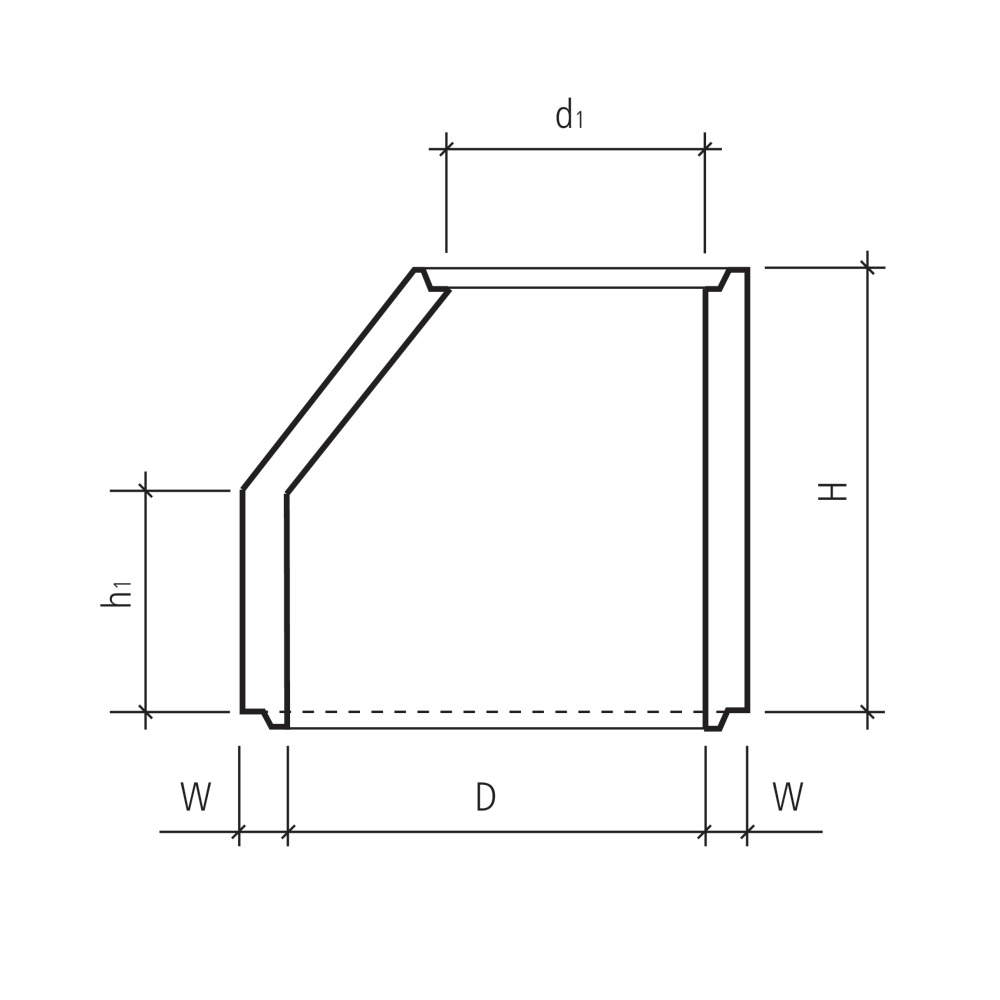
Die Wahl des optimalen Leitungsprofils hängt von der Wassermenge in der Kanalisation und der Durchflussgeschwindigkeit ab. Unser Angebot umfasst diese Betonrohr-Typen:
- CENTUB®-Röser Stahlbetonrohre rund
- CENTUB® Schachtkonen oval und rund
- MAROWA® Hochleistungsbetonrohre rund, mit Fuss
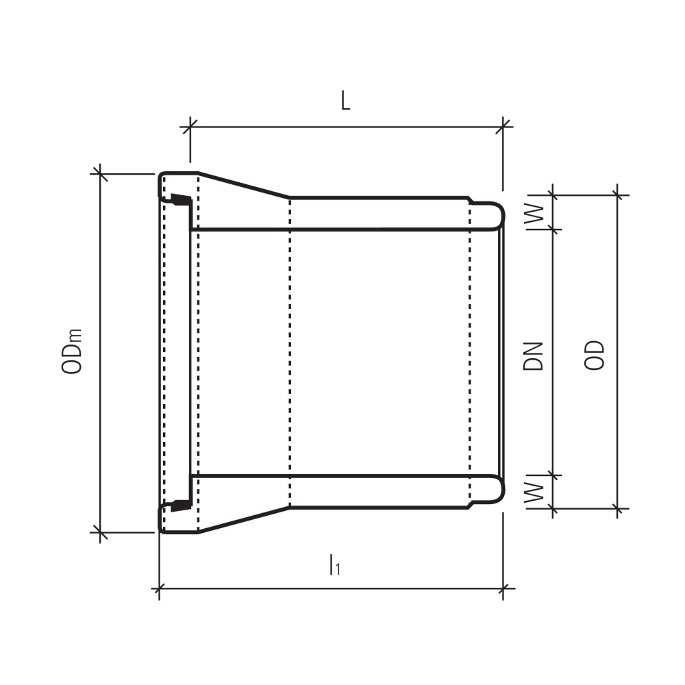
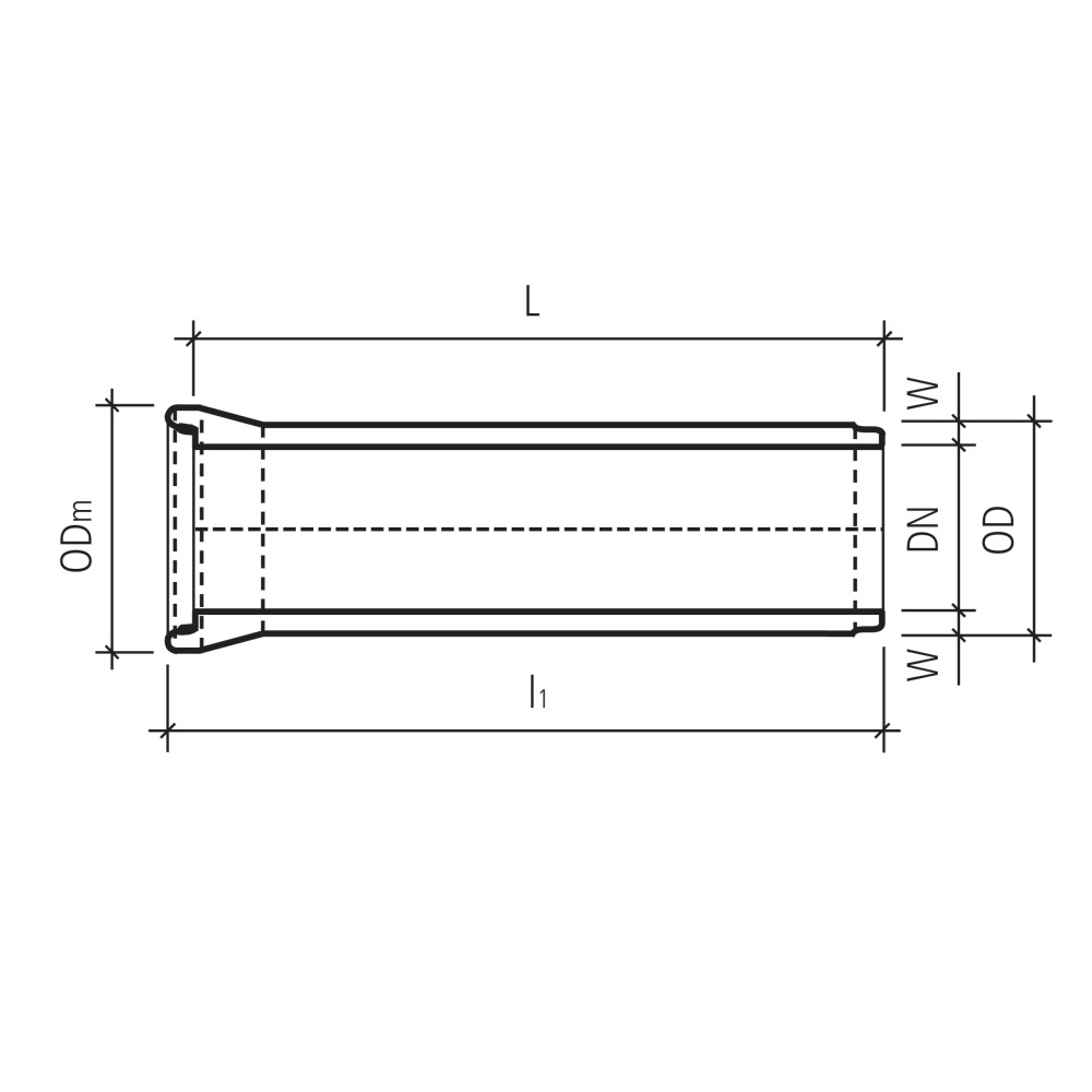
Mit unserem grossen Schacht- und Zubehör-Sortiment gelingt Ihr Kanalisationsprojekt einwandfrei. Es umfasst die passenden Gelenkrohre, Rohrmuffen, Anschlussrohre, Segmentkrümmer, Anschlussstücke, Schachtringe, Schachtkonen, Abdeckplatten, Übergangsplatten, Fussauflageringe, Keilgleitdichtungen, Lastausgleichsringe und Gleitmittel.
Nachhaltig und wirtschaftlich
In der Kanalisation eingesetzte Rohr- und Schachtbauteile aus Beton sind aus wirtschaftlichen und ökologischen Gründen wertvoll. Ihre Langlebigkeit ergibt sich aus den folgenden Eigenschaften:
- tragfähig und dicht
- lagestabil und auftriebssicher
- hydraulisch günstig· abrieb-, brand- und hochdruckspülfest
- korrosions- und temperaturbeständig
Ausserdem sind sie sanierbar und können wiederverwertet werden, was nachhaltige Projekte ermöglicht. Somit erfüllen unsere Rohr- und Schachtbauteile auch Ziele der Abwasserstrategie 2025 des Bundesamtes für Umwelt. Unter anderem sollen bis 2025 sämtliche Abwasserleitungen in der Liegenschafts- und Siedlungsentwässerung dicht sein. Mit unseren Betonelementen kann diese Vorgabe problemlos eingehalten werden.
Ohne Fachpersonal geht’s nicht
Die oben beschriebene Langlebigkeit von Bauwerken in der Kanalisation wird nur erreicht, wenn das Versetzen der Rohre durch oder unter Aufsicht von einschlägig ausgebildetem Fachpersonal erfolgt. Die Einhaltung der Normen, Vorschriften und Richtlinien von Behörden und Verbänden ist dabei zwingend, statische Berechnungen unerlässlich. Unsere Versetzhinweise und technischen Dokumentationen bieten Ihnen zusätzliche Unterstützung bei den rund 20 Arbeitsschritten – von der Bestellung der Bauteile über den Einbau der Rohre bis zur Dichtheitsprüfung.
Unser Wissen für Ihr Projekt
Dabei kommt unser grosses und langjähriges Know-how im Bereich der Kanalisation zum Zug. Dieses stellen wir Ihnen in Bezug auf Planung, Bewilligung und Ausführung von Kanalisationsprojekten gerne zur Verfügung. Unsere Technischen Berater unterstützen die öffentliche Bauherrschaft, Ingenieurbüros und Bauunternehmungen in jeder Projektphase – bei Ihnen im Büro oder direkt auf der Baustelle. Bei Bedarf koordinieren wir alle Aufgaben, die bei uns im Zusammenhang mit Ihren Projekten oder Baustellen anstehen. Gerne bieten wir Ihnen unsere Hilfe bei der Bestellungsabwicklung an.
Wir liefern rasch und auf direktem Weg zu Ihnen
CREABETON AG – eine gute Entscheidung
Wir bieten Ihnen mehr als nur erstklassige Betonprodukte.
-
consulting
Professionelle Beratung Wir beraten Sie individuell mit unserem Know-how und unterstützen Sie in der Planung Ihres Bauvorhabens.
-
order
Bestellung ohne Aufwand Sie bestellen, alles andere erledigen wir. Überlassen Sie das Rechnen, die Koordination und die Lieferung uns.
-
delivery
Kurze Lieferfristen Wir reagieren rasch auf Anfragen, um Ihnen schnelle Lieferzeiten und Termintreue zu garantieren.
-
environment
Hohes Umweltbewusstsein Wir nehmen den kürzesten Lieferweg und investieren in ökonomisches Fahren, um den CO2-Ausstoss zu reduzieren.