Bahnbau
Ausgezeichnete Betonqualität, Statik und Massgenauigkeit – unsere Betonelemente für den Bahnbau sind von den SBB zertifiziert und erhöhen die Sicherheit auf den Perrons.
Unsere vorfabrizierten Betonprodukte für den Bahnbau erfüllen die hohen Ansprüche einwandfrei. Als Spezialist für schalungsglatte Perronwinkel und ergänzende Elemente beliefern wir diverse Bahnunternehmen. Neu- oder Umbauten von Perrons lassen sich damit auf die situativen Begebenheiten angepasst gestalten und sicherheitstechnisch optimieren.
Von den SBB zertifiziert
Die Bahninfrastruktur in der Schweiz zählt zu den besten weltweit, mitunter dank der Schweizer Bauingenieurskunst. Zum Bahnbau gehört die Erstellung der Gleisanlagen, der Sicherungstechnik sowie der Infrastruktur für den Zugang zu den Zügen. Im Bereich der Perronanlagen haben wir uns einen Namen gemacht: Wir sind qualifizierter Lieferant von vorfabrizierten Perronkanten für die Schweizerischen Bundesbahnen. Zusätzlich zur Zertifizierung durch die SBB verfügen wir auch über die RhB-Zertifizierung. Die hohe Qualität unserer Betonelemente für den Bahnbau wird regelmässig von den SBB überprüft. Die schalungsglatten Perronwinkel zeichnen sich durch ihre Statik, Tausalzbeständigkeit, Betonqualität und Massgenauigkeit aus.
Ideal für Perron-Neu- und Umbau
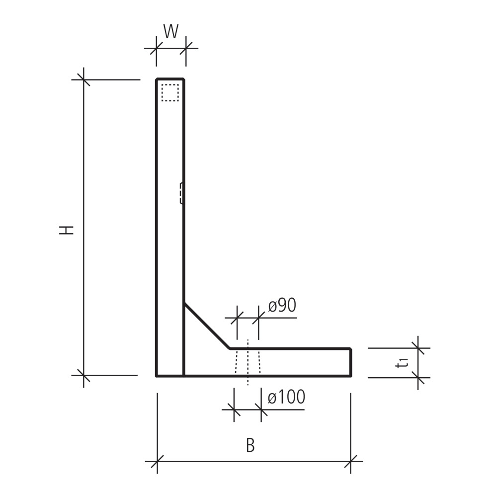
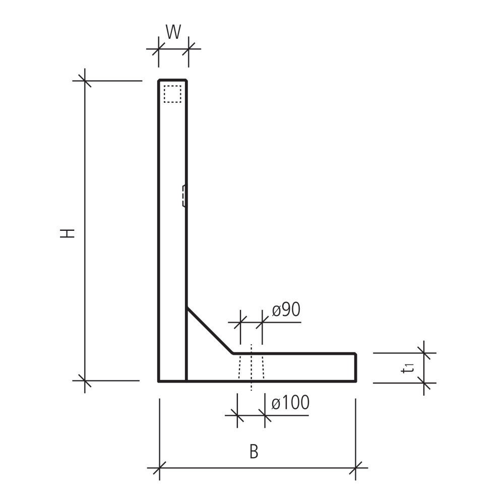
Unter die SBB-Zertifizierung fallen einerseits die Standard-Bahnperronwinkel, die sich im Bahnbau profiliert haben und vor allem bei Neubauten von Bahnhöfen oder bei Verlängerungen von bestehenden Perronanlagen zum Einsatz kommen. Hinzu kommen diese praktischen Zusatzelemente:
- Aufsatzelemente für ein barrierefreies Ein- und Aussteigen für Reisende mit eingeschränkter Mobilität
- Eckelemente für den Abschluss von Perronanlagen
- Schrägstücke für die Ausgestaltung von Rampen
- Spezialstücke wie Betonauftritte für ein trittsicheres Ein- und Aussteigen
Gemeinsam haben all diese Betonelemente die profilierte Auftrittkante. Diese sorgt für den rutschfesten Ein- und Ausstieg. Dank den verschiedenen Höhen und Neigungen dieser Bahnbau-Produkte lassen sich Perrons auf praktisch jedes Rollmaterial anpassen und bereits bestehende Bahnsteige werden kostengünstig modernisiert – und das in einem einheitlichen Erscheinungsbild. Mehr Informationen liefert Ihnen die Broschüre über unsere Bahn-Perronwinkel.
Sicherheit für Sehbehinderte
Im Bahnbau wird der Sicherheit grosse Beachtung geschenkt. Unsere CARENA® Sicherheitsliniensteine kommen zur Anwendung, um auf dem Bahnhofsareal weisse Markierungen anzubringen. Dank der durchgängigen Linienstruktur auf der Steinoberfläche sind diese Sicherheitslinien eine wichtige Orientierungshilfe für blinde und sehbehinderte Menschen. Auf dem Perron kennzeichnen die weissen Linien die Zone, die bei der Ein- oder Durchfahrt von Zügen aus Sicherheitsgründen nicht überschritten werden sollte. Sicherheitsliniensteine sind aus dem Bahnbau nicht mehr wegzudenken.
Durchwegs hohe Betonqualität
Entlang der Gleise kommen unsere Sickerschalen zum Einsatz. Durch ihre seitlichen Löcher fliesst Sickerwasser in die Schale ein und wird über die geschlossene Sohle kontrolliert abgeleitet. Da die Sickerschalen offen sind, lassen sie sich einfach kontrollieren und reinigen. Wie bei all unseren Produkten für den Bahnbau weisen diese Elemente eine hohe Betonqualität auf, was sie belastungsfähig und langlebig macht.
Wir liefern rasch und auf direktem Weg zu Ihnen
CREABETON AG – eine gute Entscheidung
Wir bieten Ihnen mehr als nur erstklassige Betonprodukte.
-
consulting
Professionelle Beratung Wir beraten Sie individuell mit unserem Know-how und unterstützen Sie in der Planung Ihres Bauvorhabens.
-
order
Bestellung ohne Aufwand Sie bestellen, alles andere erledigen wir. Überlassen Sie das Rechnen, die Koordination und die Lieferung uns.
-
delivery
Kurze Lieferfristen Wir reagieren rasch auf Anfragen, um Ihnen schnelle Lieferzeiten und Termintreue zu garantieren.
-
environment
Hohes Umweltbewusstsein Wir nehmen den kürzesten Lieferweg und investieren in ökonomisches Fahren, um den CO2-Ausstoss zu reduzieren.