Perronwinkel
Unsere von den SBB zertifizierten Perronwinkel sind ideal für Neu- und Umbauten von Perronanlagen. Hohe Qualität und Anpassungsfähigkeit zeichnen sie aus.
Unzählige Schweizer Bahnhöfe sind mit unseren Perronwinkeln ausgestattet. Ihre hohe Qualität hat ihnen, sowie weiteren Perronwinkel-Elementen von uns, die SBB-Zertifizierung eingebracht. Ganze Perronanlagen werden mit unseren Produkten neu gebaut oder erneuert sowie sicherer gemacht. So verfügen all unsere Perronwinkel-Elemente über eine profilierte Auftrittkante für den rutschsicheren Ein- und Ausstieg.
Beste Statik und Betonqualität
Unsere Perronwinkel kommen grösstenteils bei Neubauten und Verlängerungen von Perrons zum Einsatz. Die hohe Massgenauigkeit und die hervorragende Statik zeichnen die schalungsglatten Perronkanten besonders aus. Hinzu kommen die hohe Betonqualität und Beständigkeit gegen Frosttausalz. Dank den unterschiedlichen Perronwinkel-Typen mit Höhen von 40 bis 130 Zentimetern lässt sich jedes Perron auf das unterschiedliche Rollmaterial der diversen Schweizer Bahnen anpassen.
Einfaches und sicheres Ein-und Aussteigen
Für die ideale Ausgestaltung von Perrons verfügt unser Sortiment über weitere Elemente. Muss ein Bahnsteig erhöht werden, um z. B. Reisenden mit eingeschränkter Mobilität ein einfaches Ein-und Aussteigen zu ermöglichen, lohnen sich Perronwinkel Aufsatzelemente . Mit ihnen können Perrons kostengünstig erneuert und auf die gewünschte Höhe gebracht werden. Perronwinkel Eckelemente kommen an den Enden zum Einsatz. Für den Ausgleich von Höhenunterschieden finden Sie in unserem Sortiment Perronwinkel Schrägstücke für die Ausgestaltung von Rampen. Perronwinkel Betonauftritte – für bequemes und sicheres Ein- und Aussteigen – sowie Perronwinkel Gitterrostauftritte, die gleisseitig montiert sind und dem Bahnpersonal als Auf- und Abstiegshilfe dienen, vervollständigen unser Perronwinkel-Sortiment.
Von den SBB zertifiziert
Für die Spitzenqualität unserer vorfabrizierten Elemente für den Perronbau spricht, dass wir von den Schweizerischen Bundesbahnen als qualifizierter Lieferant von Perronkanten anerkannt sind. Die Zertifizierung umfasst einerseits unsere Standard-Perronwinkel, aber auch die optisch zum Erscheinungsbild passenden Aufsatzelemente, Eckelemente, Schrägelemente sowie Spezialstücke. Zusätzlich zur SBB-Zertifizierung verfügen wir über die RhB-Zertifizierung. Die e jahrelange Erfahrung im Bereich der Perronwinkelfertigung macht uns zum geeigneten Partner für Perronwinkel-Projekte.
- |
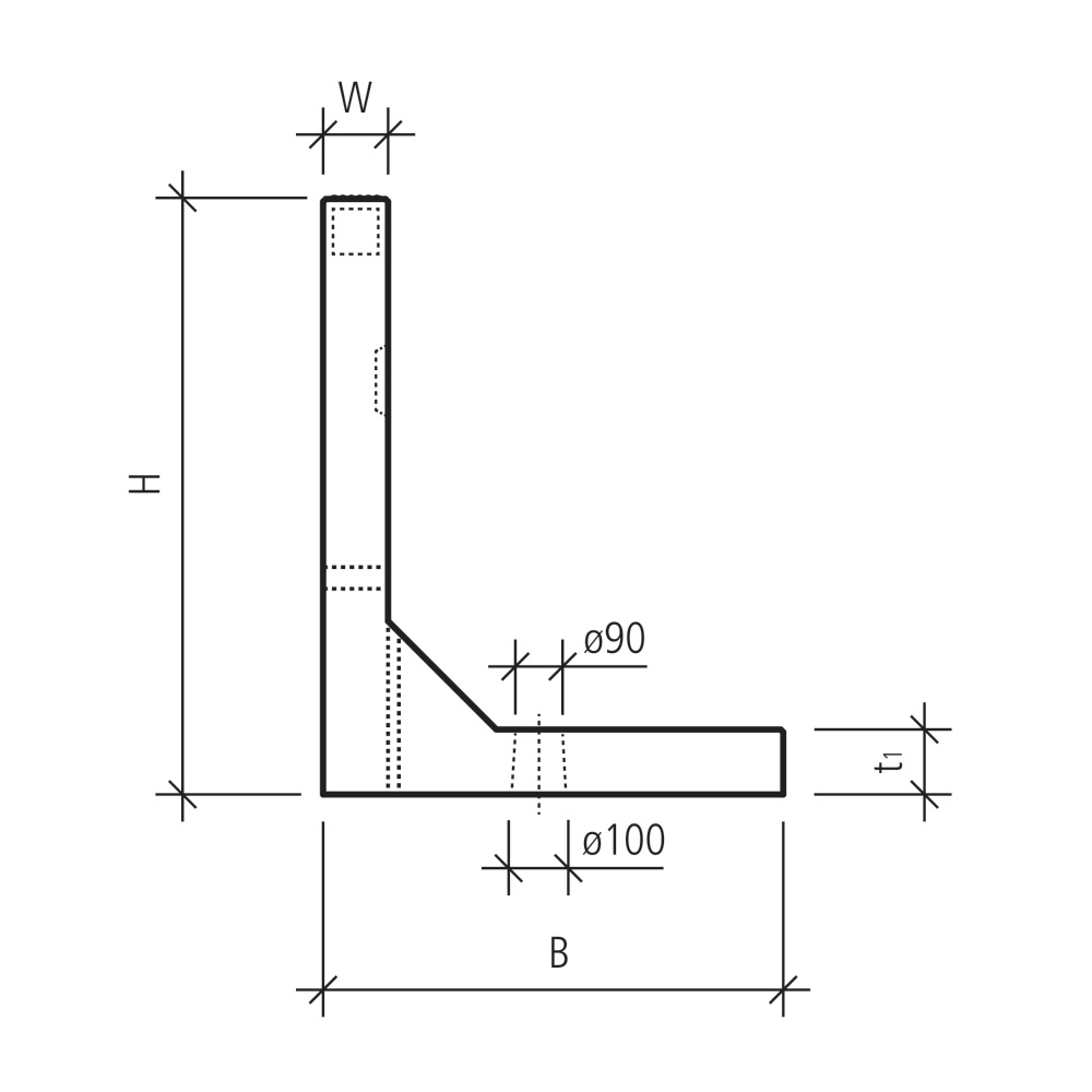
| Sortierung | Art.-Nr. | Produktinformationen | LF | Typ | GR | HW | Farbe | d1 (cm) | L (cm) | B (cm) | H (cm) | W (cm) | t1 (cm) | G (kg/Stk.) | Per | Preis | |||
|---|---|---|---|---|---|---|---|---|---|---|---|---|---|---|---|---|---|---|---|
| 4609 | 118128 |
Perronwinkel |
stock-2 | 1 | GR MP | HW 71, 76 | Farbe grau | d1 (cm) 9 | L (cm) 200 | B (cm) 100 | H (cm) 130 | W (cm) 12 | t1 (cm) 12 | G (kg/Stk.) 1420 | Stk. | 655.00 CHF |
|
||
| 4610 | 122720 |
Perronwinkel |
stock-2 | 2 | GR MP | HW 71, 76 | Farbe grau | d1 (cm) 9 | L (cm) 200 | B (cm) 75 | H (cm) 130 | W (cm) 12 | t1 (cm) 12 | G (kg/Stk.) 1280 | Stk. | 600.00 CHF |
|
||
| 4611 | 134843 |
Perronwinkel |
stock-2 | 3 | GR MP | HW 71, 76 | Farbe grau | d1 (cm) 9 | L (cm) 200 | B (cm) 85 | H (cm) 110 | W (cm) 12 | t1 (cm) 12 | G (kg/Stk.) 1180 | Stk. | 575.00 CHF |
|
||
| 4612 | 138738 |
Perronwinkel |
stock-2 | 4 | GR MP | HW 71, 76 | Farbe grau | d1 (cm) 9 | L (cm) 200 | B (cm) 65 | H (cm) 110 | W (cm) 12 | t1 (cm) 12 | G (kg/Stk.) 1050 | Stk. | 525.00 CHF |
|
||
| 4613 | 102986 |
Perronwinkel |
stock-2 | 5 | GR MP | HW 71, 76 | Farbe grau | d1 (cm) 9 | L (cm) 200 | B (cm) 60 | H (cm) 95 | W (cm) 12 | t1 (cm) 12 | G (kg/Stk.) 930 | Stk. | 505.00 CHF |
|
||
| 4614 | 126833 |
Perronwinkel |
stock-2 | 6 | GR MP | HW 71, 76 | Farbe grau | d1 (cm) 8 | L (cm) 200 | B (cm) 40 | H (cm) 70 | W (cm) 12 | t1 (cm) 10 | G (kg/Stk.) 550 | Stk. | 329.00 CHF |
|
||
| 4615 | 128769 |
Perronwinkel |
stock-2 | 7 | GR MP | HW 71, 76 | Farbe grau | d1 (cm) 8 | L (cm) 200 | B (cm) 40 | H (cm) 55 | W (cm) 12 | t1 (cm) 10 | G (kg/Stk.) 460 | Stk. | 264.00 CHF |
|
||
| 4616 | 103200 |
Perronwinkel |
stock-2 | 8 | GR MP | HW 71, 76 | Farbe grau | d1 (cm) 8 | L (cm) 200 | B (cm) 40 | H (cm) 40 | W (cm) 12 | t1 (cm) 10 | G (kg/Stk.) 355 | Stk. | 238.00 CHF |
|
glatt, gefast, bewehrt, Auftrittkante profiliert
- Profilierte Auftritte für den rutschsicheren Einstieg.
- Bei Typ 1 bis 4 sind Hülsen M 12 für die Auftrittsmontage eingelegt.
- Bei Typ 5 ist die Ausführung mit oder ohne Hülse M12 für die Auftrittsmontage bei der Bestellung anzugeben.
- Bei Typ 6 + 7 sind Hülsen für die Auftrittsmontage auf Anfrage möglich.
Mit CAD- & BIM-Daten erleichtern wir Ihnen die digitale Planung von Bauprojekten.
3D-Zeichnungen eines Bauvorhabens ermöglichen eine sichere Planung und die Vernetzung projektrelevanter Informationen. Die originalgetreuen Visualisierungen sorgen durch eine gesteigerte Effektivität für Kostensicherheit, Termintreue und Qualität.
Gerne stellen wir Ihnen von einer Vielzahl unserer Artikeln CAD- und BIM-Daten in den drei Formaten DWG, IFC und NDW zur Verfügung.