CENTUB® Abdeckplatten rund
CENTUB® Abdeckplatten bilden den Abschluss eines CENTUB® Massschachts. Sie zeichnen sich durch ihre äusserst hohe Tragfähigkeit aus.
CENTUB® Abdeckplatten sind das oberste Bauteil eines CENTUB® Massschachts. Dieser wasserdichte und qualitativ hochstehende Schacht erhält mit den Abdeckplatten einen krönenden Abschluss. CENTUB® Abdeckplatten verfügen über eine hohe Tragfähigkeit, was den Einsatz auf viel befahrenen Strassen ermöglicht.
Hohe Stabilität durch Bewehrung
Die unterschiedlichen Ausführungen von CENTUB® Abdeckplatten sind exakt auf die darunterliegenden CENTUB® Massschachtunterteile und CENTUB® Schachtringe abgestimmt. Je nach Form des Schachts kommen CENTUB® Abdeckplatten rund oder CENTUB® Abdeckplatten oval zur Anwendung. Ihre Bewehrung garantiert eine hohe Stabilität. Die integrierte Öffnung für den Zugang zum Abwasserschacht ist bei runder Form exzentrisch angeordnet. Unsere ovalen CENTUB® Abdeckplatten bieten Ihnen mehr Spielraum: Der Zugang ist zentrisch oder exzentrisch verfügbar. In exzentrischer Ausführung haben Sie zudem die Wahl, ob die Öffnung längsgestellt oder quergestellt sein soll. Die Machbarkeit von Abdeckplatten mit anderen Aussparungen prüfen wir auf Anfrage.
Enorme Tragfähigkeit
Die bewehrten CENTUB® Abdeckplatten sind darauf ausgerichtet, dass sie vertikale Lasten übernehmen können. Ihre Tragfähigkeit ist so hoch, dass sie sich bestens für den Einsatz bei Strassen und Autobahnen (Belastungsklasse D 400) eignen. Vorausgesetzt ist allerdings immer, dass die Schachtausbauteile professionell und normenkonform versetzt werden. Die dafür erforderlichen Keilgleitdichtungen und Gleitmittel finden Sie in unserem Sortiment. Zudem besteht die Möglichkeit, bei uns ein CENTUB® Schachtgehänge zu mieten. Mit diesem Gerät und den in den CENTUB® Abdeckplatten integrierten Kugelkopftragankern gelingt der Schachteinbau schnell, einfach und wirtschaftlich.
- |
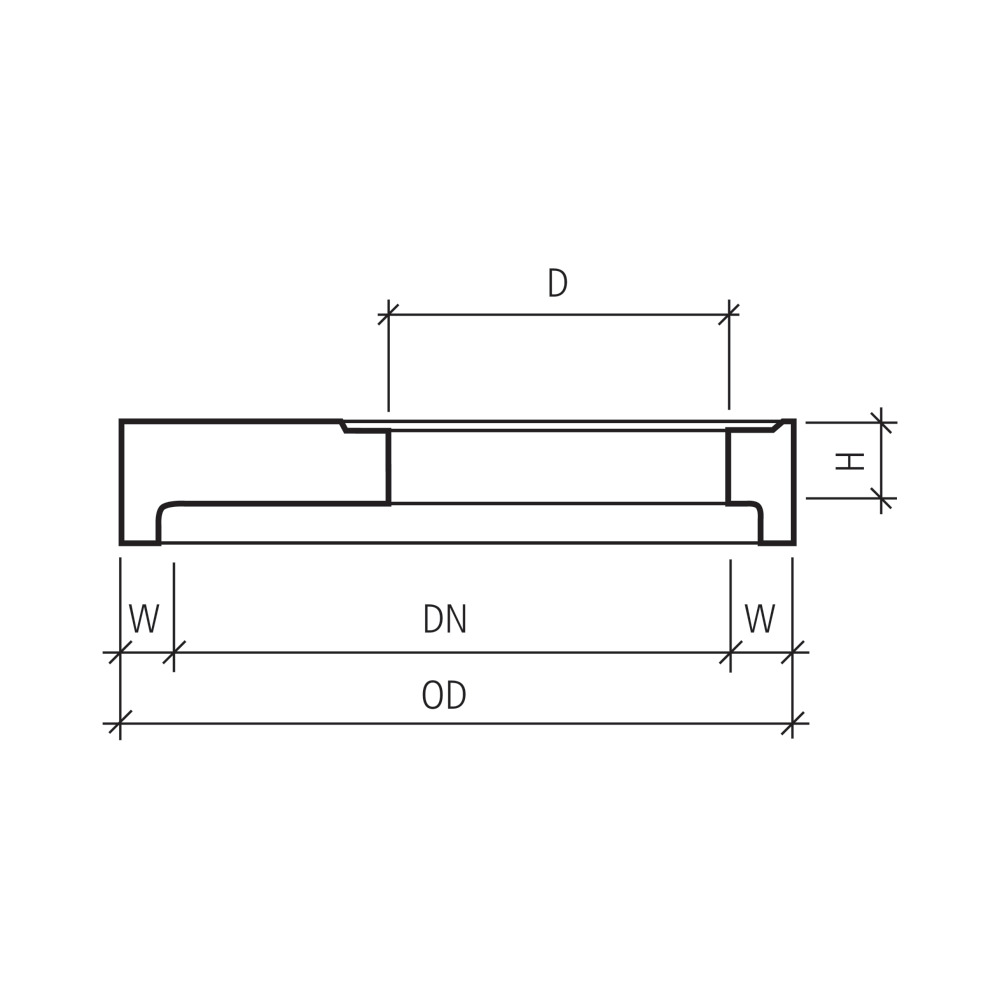
| Sortierung | Art.-Nr. | Produktinformationen | LF | GR | HW | DN | D (mm) | H (mm) | OD (mm) | W (mm) | G (kg/Stk.) | Per | Preis | |||
|---|---|---|---|---|---|---|---|---|---|---|---|---|---|---|---|---|
| 6569 | 108537 |
CENTUB Abdeckplatte bewehrt |
stock-1 | GR AH | HW 11, 71 | DN 800 | D (mm) 625 | H (mm) 150 | OD (mm) 1040 | W (mm) 120 | G (kg/Stk.) 215 | Stk. | 399.00 CHF |
|
||
| 6570 | 117402 |
CENTUB Abdeckplatte bewehrt |
stock-1 | GR AH | HW 11, 71 | DN 1000 | D (mm) 625 | H (mm) 150 | OD (mm) 1240 | W (mm) 120 | G (kg/Stk.) 480 | Stk. | 540.00 CHF |
|
||
| 6571 | 127832 |
CENTUB Abdeckplatte bewehrt |
stock-1 | GR AH | HW 11, 71 | DN 1200 | D (mm) 625 | H (mm) 150 | OD (mm) 1470 | W (mm) 135 | G (kg/Stk.) 560 | Stk. | 635.00 CHF |
|
||
| 6572 | 137506 |
CENTUB Abdeckplatte bewehrt |
stock-1 | GR AH | HW 71 | DN 1250 | D (mm) 625 | H (mm) 150 | OD (mm) 1490 | W (mm) 120 | G (kg/Stk.) 660 | Stk. | 740.00 CHF |
|
||
| 6573 | 107637 |
CENTUB Abdeckplatte bewehrt |
stock-1 | GR AH | HW 11, 71 | DN 1500 | D (mm) 625 | H (mm) 180 | OD (mm) 1740 | W (mm) 120 | G (kg/Stk.) 940 | Stk. | 1150.00 CHF |
|
||
| 6574 | 111122 |
CENTUB Abdeckplatte bewehrt |
stock-1 | GR AH | HW 11, 71 | DN 2000 | D (mm) 625 | H (mm) 180 | OD (mm) 2240 | W (mm) 120 | G (kg/Stk.) 1690 | Stk. | 1510.00 CHF |
|
bewehrt, exzentrisch, exkl. Keilgleitdichtung, D 400
- Weitere Abdeckplatten mit verschiedenen Aussparungen auf Anfrage.
- Inkl. Kugelkopftraganker LK 1.3
- Keilgleitdichtungen Prod.-Nr. A0709 und Gleitmittel Prod.-Nr. A0901 erforderlich.
Mit CAD- & BIM-Daten erleichtern wir Ihnen die digitale Planung von Bauprojekten.
3D-Zeichnungen eines Bauvorhabens ermöglichen eine sichere Planung und die Vernetzung projektrelevanter Informationen. Die originalgetreuen Visualisierungen sorgen durch eine gesteigerte Effektivität für Kostensicherheit, Termintreue und Qualität.
Gerne stellen wir Ihnen von einer Vielzahl unserer Artikeln CAD- und BIM-Daten in den drei Formaten DWG, IFC und NDW zur Verfügung.