friwa®-sep Rückhaltebehälter AS Typ 2
Für den Einsatz bei Bio-Ethanol-Tankstellen Typ 2 bis 5 (85 % Ethanol und 15 % Benzin) und bei AdBlue-Tankstellen Typ 1 (30 % Harnstoff) inkl. ethanolbeständiger Beschichtung. Der Einsatz erfolgt bei überdachten Tankstellen und Umschlagplätzen, ohne Zulauf von Regenwasser. Das wasserlösliche Bio-Ethanol darf nicht über einen Mineralölabscheider abgeleitet werden.
Wenn die Zapfstellen der Bio-Ethanol-Treibstoffe gesondert angeordnet und die Umschlagplätze separat entwässert werden, können die Abwasserleitungen direkt dem Rückhaltebehälter zugeführt werden. In der Regel sind die Anfallstellen von Ethanol und Benzin oder Diesel jedoch nicht getrennt. In diesem Falle sollte die Entwässerung über einen steuerbaren Umlenkschacht geführt werden. Wird Leichtflüssigkeit umgeschlagen, so soll das anfallende Abwasser dem Mineralölabscheider zugeführt werden. Wird Ethanol umgeschlagen, wird das Abwasser dem Rückhaltebehälter zugeführt. Die Betonbauteile werden mit einem ethanolbeständigen Schutzanstrich beschichtet. In der Regel wird eine Überwachungsanlage eingebaut.
- |
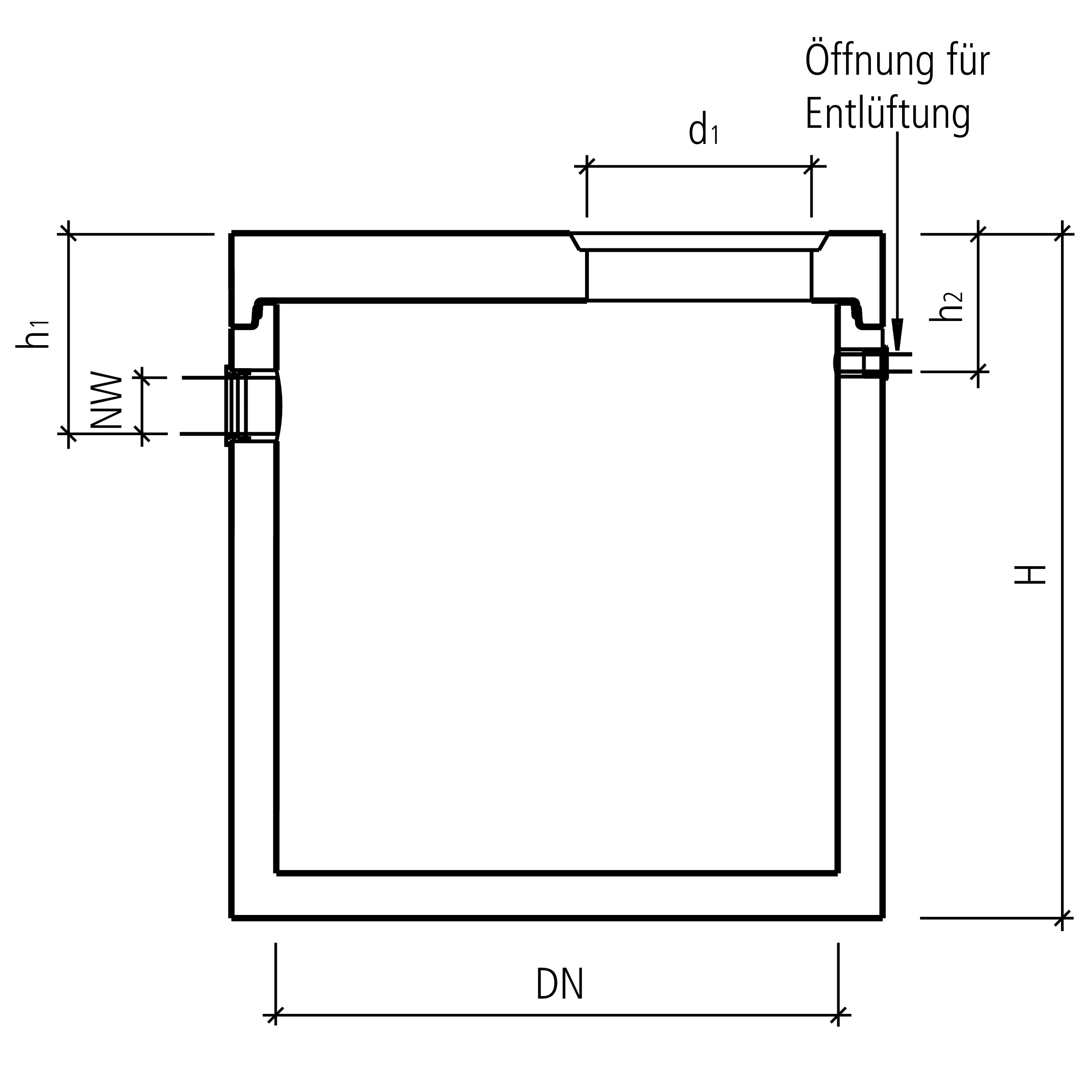
| Sortierung | Art.-Nr. | Produktinformationen | LF | Typ | GR | HW | DN | d1 (mm) | H (mm) | h1 (mm) | h2 (mm) | NW (mm) | V (l) | G tot. (kg/Stk.) | Per | Preis | |||
|---|---|---|---|---|---|---|---|---|---|---|---|---|---|---|---|---|---|---|---|
| 4224 | 123320 |
friwa-sep Rückhaltebecken AS Typ 2 Typ 1 |
stock-3 | 1 | GR CK | HW 22 | DN 1250 | d1 (mm) 600 | H (mm) 1830 | h1 (mm) 570 | h2 (mm) 470 | NW (mm) 150 | V (l) 1395 | G tot. (kg/Stk.) 3070 | Stk. | 3740.00 CHF |
|
||
| 4225 | 126083 |
friwa-sep Rückhaltebecken AS Typ 2 Typ 2 |
stock-3 | 2 | GR CK | HW 22 | DN 1500 | d1 (mm) 600 | H (mm) 1830 | h1 (mm) 570 | h2 (mm) 470 | NW (mm) 150 | V (l) 2010 | G tot. (kg/Stk.) 3920 | Stk. | 4500.00 CHF |
|
||
| 4226 | 101900 |
friwa-sep Rückhaltebecken AS Typ 2 Typ 3 |
stock-3 | 3 | GR CK | HW 22 | DN 1750 | d1 (mm) 600 | H (mm) 1830 | h1 (mm) 570 | h2 (mm) 470 | NW (mm) 150 | V (l) 2740 | G tot. (kg/Stk.) 4830 | Stk. | 5390.00 CHF |
|
||
| 4227 | 118004 |
friwa-sep Rückhaltebecken AS Typ 2 Typ 4 |
stock-3 | 4 | GR CK | HW 22 | DN 2000 | d1 (mm) 600 | H (mm) 1830 | h1 (mm) 570 | h2 (mm) 470 | NW (mm) 150 | V (l) 3580 | G tot. (kg/Stk.) 5780 | Stk. | 6080.00 CHF |
|
||
| 4228 | 102150 |
friwa-sep Rückhaltebecken AS Typ 2 Typ 5 |
stock-3 | 5 | GR CK | HW 22 | DN 2500 | d1 (mm) 600 | H (mm) 1830 | h1 (mm) 570 | h2 (mm) 470 | NW (mm) 150 | V (l) 5450 | G tot. (kg/Stk.) 8610 | Stk. | 8590.00 CHF |
|
rund, inkl. befahrbarer Abdeckplatte D 400, Muffentyp G, exkl. Einsatzdeckel
- Für den Einsatz bei Bio-Ethanol-Tankstellen Typ 2 bis 5 (85 % Ethanol und 15 % Benzin) und bei AdBlue-Tankstellen Typ 1 (30 % Harnstoff).
- Der Einsatz erfolgt bei überdachten Tankstellen und Umschlagplätzen, ohne Zulauf von Regenwasser.
- Das wasserlösliche Bio-Ethanol darf nicht über einen Mineralölabscheider abgeleitet werden.
- Auch einsetzbar als Totschacht (VSA /AGVS 11.2021).
- Exkl. Überwachungsanlagen.
- inkl. ethanolbeständiger Beschichtung.
- Aus Wartungsgründen dürfen die Einstiegsöffnungen maximal um 30 cm aufgesetzt werden.
Mit CAD- & BIM-Daten erleichtern wir Ihnen die digitale Planung von Bauprojekten.
3D-Zeichnungen eines Bauvorhabens ermöglichen eine sichere Planung und die Vernetzung projektrelevanter Informationen. Die originalgetreuen Visualisierungen sorgen durch eine gesteigerte Effektivität für Kostensicherheit, Termintreue und Qualität.
Gerne stellen wir Ihnen von einer Vielzahl unserer Artikeln CAD- und BIM-Daten in den drei Formaten DWG, IFC und NDW zur Verfügung.