friwa®-sed HydroShark
Die Sedimentationsanlage, die Zähne zeigt. Der friwa®-sed HydroShark ist eine Sedimentationsanlage, die das Wasser in der Mitte des Systems tangential einleitet, wodurch der sogenannte Teetasseneffekt die Sedimentation der Feststoffe stattfindet. Aufgrund von bestehenden Labor- und Feldversuchen können folgende Wirkungsgrade von 50 bis 80% erzielt werden. Das Erreichen des Wirkungsgrades bzgl. Rückhalt von GUS und demzufolge von Mikroplastik ist vom Volumenstrom im Zulauf abhängig, demzufolge von der angeschlossenen Fläche.
Um die anzuschliessende Fläche zu bestimmen, müssen die Regendaten bekannt sein. Aufgrund den Regendaten kann die Regenspende bestimmt werden, dass die geforderte Reinigungsleistung bei einer hydraulischen Leistung von 90% aller Regen erreicht werden kann. Aufgrund dieser Vorgabe kann die zulässige Anschlussfläche bestimmt werden. Bei der Auslegung der Baugrösse des friwa®-sed HydroShark muss ebenfalls der maximale hydraulische Durchfluss des Anlagetyps berücksichtigt werden.
- |
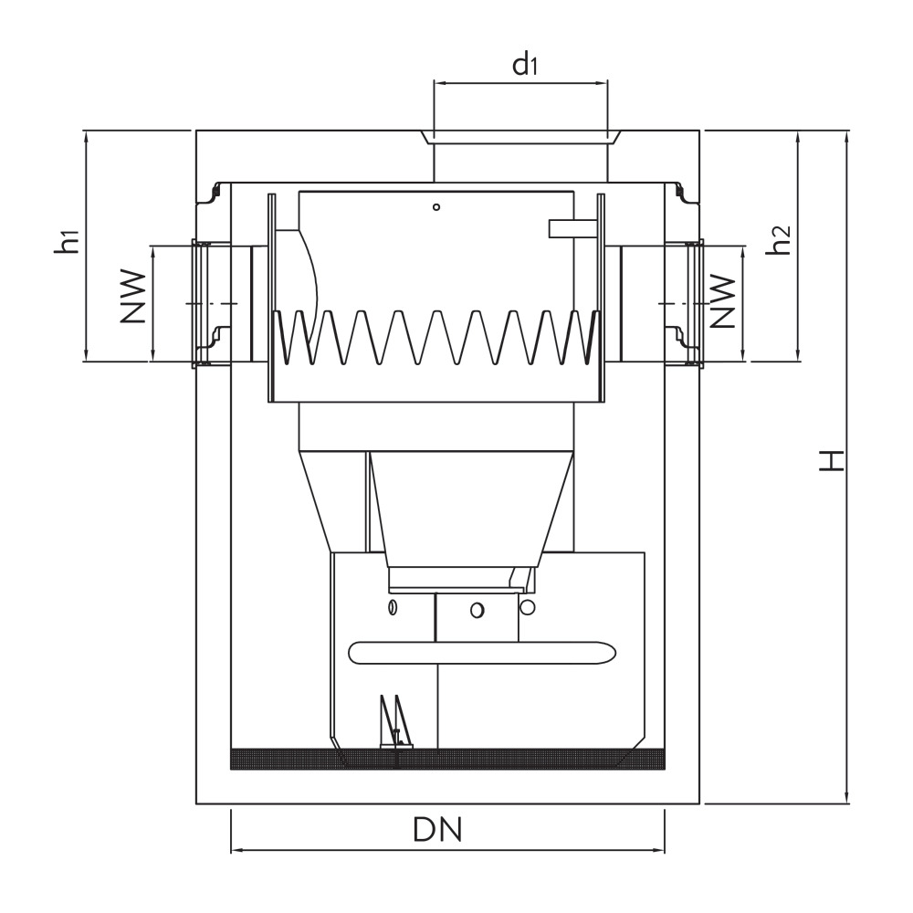
| Sortierung | Art.-Nr. | Produktinformationen | LF | Spez. | Typ | GR | HW | DN | d1 (mm) | H (mm) | h1 (mm) | h2 (mm) | NW (mm) | G tot. (kg/Stk.) | Per | Preis | |||
|---|---|---|---|---|---|---|---|---|---|---|---|---|---|---|---|---|---|---|---|
| 4266 | 121463 |
friwa-sed 3P HydroShark 800 Typ 1 |
stock-1 | inkl. befahrbarem Konus D 400, 1200 m2 | 1 | GR CY | HW 22 | DN 800 | d1 (mm) 600 | H (mm) 2180 | h1 (mm) | h2 (mm) 935 | NW (mm) 150 | G tot. (kg/Stk.) 2050 | Stk. | 9270.00 CHF |
|
||
| 4267 | 124394 |
friwa-sed 3P HydroShark 800 Typ 1.1 |
stock-1 | inkl. befahrbarer Abdeckplatte D 400, 1200 m2 | 1.1 | GR CY | HW 22 | DN 800 | d1 (mm) 600 | H (mm) 2330 | h1 (mm) 565 | h2 (mm) 565 | NW (mm) 150 | G tot. (kg/Stk.) 2310 | Stk. | 9560.00 CHF |
|
||
| 4268 | 118968 |
friwa-sed 3P HydroShark 1000 Typ 2 |
stock-1 | inkl. befahrbarer Abdeckplatte D 400, 2400 m2 | 2 | GR CY | HW 22 | DN 1000 | d1 (mm) 600 | H (mm) 2330 | h1 (mm) 710 | h2 (mm) 710 | NW (mm) 200 | G tot. (kg/Stk.) 2820 | Stk. | 14290.00 CHF |
|
||
| 4269 | 158067 |
friwa-sed 3P HydroShark 1000 Typ 2.1 |
stock-1 | inkl. befahrbarer Abdeckplatte D 400, 2400 m2 | 2.1 | GR CY | HW 22 | DN 1000 | d1 (mm) 600 | H (mm) 2330 | h1 (mm) 710 | h2 (mm) 710 | NW (mm) 250 | G tot. (kg/Stk.) 2820 | Stk. | 14370.00 CHF |
|
|
|
| 4270 | 135721 |
friwa-sed 3P HydroShark 1500 Typ 3 |
stock-1 | inkl. befahrbarer Abdeckplatte D 400, 5000 m2 | 3 | GR CY | HW 22 | DN 1500 | d1 (mm) 600 | H (mm) 2330 | h1 (mm) 800 | h2 (mm) 800 | NW (mm) 250 | G tot. (kg/Stk.) 4680 | Stk. | 20400.00 CHF |
|
|
|
| 4271 | 101526 |
friwa-sed 3P HydroShark 1500 Typ 3.1 |
stock-1 | inkl. befahrbarer Abdeckplatte D 400, 5000 m2 | 3.1 | GR CY | HW 22 | DN 1500 | d1 (mm) 600 | H (mm) 2330 | h1 (mm) 800 | h2 (mm) 800 | NW (mm) 300 | G tot. (kg/Stk.) 4680 | Stk. | 20570.00 CHF |
|
||
| 4272 | 154834 |
friwa-sed 3P HydroShark 2000 Typ 4 |
stock-2 | inkl. befahrbarer Abdeckplatte D 400, 10000 m2 | 4 | GR CY | HW 22 | DN 2000 | d1 (mm) 600 | H (mm) 2330 | h1 (mm) 900 | h2 (mm) 900 | NW (mm) 350 | G tot. (kg/Stk.) 6850 | Stk. | 28850.00 CHF |
|
|
|
| 4273 | 137378 |
friwa-sed 3P HydroShark 2000 Typ 4.1 |
stock-2 | inkl. befahrbarer Abdeckplatte D 400, 10000 m2 | 4.1 | GR CY | HW 22 | DN 2000 | d1 (mm) 600 | H (mm) 2330 | h1 (mm) 900 | h2 (mm) 900 | NW (mm) 400 | G tot. (kg/Stk.) 6850 | Stk. | 28910.00 CHF |
|
||
| 4274 | 122130 |
friwa-sed 3P HydroShark 2500 Typ 5 |
stock-3 | inkl. befahrbarer Abdeckplatte D 400, 20000 m2 | 5 | GR CY | HW 22 | DN 2500 | d1 (mm) 800 | H (mm) 2580 | h1 (mm) 1060 | h2 (mm) 1060 | NW (mm) 400 | G tot. (kg/Stk.) 10650 | Stk. | 33250.00 CHF |
|
|
|
| 4275 | 108423 |
friwa-sed 3P HydroShark 2500 Typ 5.1 |
stock-3 | inkl. befahrbarer Abdeckplatte D 400, 20000 m2 | 5.1 | GR CY | HW 22 | DN 2500 | d1 (mm) 800 | H (mm) 2580 | h1 (mm) 1060 | h2 (mm) 1060 | NW (mm) 500 | G tot. (kg/Stk.) 10650 | Stk. | 35150.00 CHF |
|
||
| 4276 | 112579 |
friwa-sed 3P HydroShark 3000 Typ 6 |
stock-3 | inkl. befahrbarer Abdeckplatte D 400, 27000 m2 | 6 | GR CY | HW 22 | DN 3000 | d1 (mm) 800 | H (mm) 2950 | h1 (mm) 1390 | h2 (mm) 1390 | NW (mm) 400 | G tot. (kg/Stk.) 16860 | Stk. | 45250.00 CHF |
|
||
| 4277 | 189838 |
friwa-sed 3P HydroShark 3000 Typ 6.1 |
stock-3 | inkl. befahrbarer Abdeckplatte D 400, 27000 m2 | 6.1 | GR CY | HW 22 | DN 3000 | d1 (mm) 800 | H (mm) 2950 | h1 (mm) 1390 | h2 (mm) 1390 | NW (mm) 500 | G tot. (kg/Stk.) 16860 | Stk. | 45500.00 CHF |
|
|
|
| 4278 | 164499 |
friwa-sed 3P HydroShark 3000 MAX Typ 7 |
stock-3 | inkl. befahrbarer Abdeckplatte D 400, 35000 m2 | 7 | GR CY | HW 22 | DN 3000 | d1 (mm) 800 | H (mm) 3200 | h1 (mm) 1050 | h2 (mm) 1050 | NW (mm) 600 | G tot. (kg/Stk.) 18690 | Stk. | 47900.00 CHF |
|
|
|
| 4279 | 173999 |
friwa-sed 3P HydroShark 3000 MAX Typ 7.1 |
stock-3 | inkl. befahrbarer Abdeckplatte D 400, 35000 m2 | 7.1 | GR CY | HW 22 | DN 3000 | d1 (mm) 800 | H (mm) 3200 | h1 (mm) 1050 | h2 (mm) 1050 | NW (mm) 700 | G tot. (kg/Stk.) 18690 | Stk. | 48100.00 CHF |
|
|
rund, Muffentyp G, exkl. Einsatzdeckel
- Einsatz für die physikalische Behandlung von Niederschlagswasser.
- Fugenloser bewehrter Behälter mit Muffen und Keilgleitdichtungen für das Zurückhalten von Sand- und Schlammpartikeln (GUS 63µg).
- Ein- und Auslauf mit Aussparung und Dichtung für Kunststoffrohre aus PP oder HDPE. (PVC ist in CH verboten.)
- Einsatzdeckel d: 600 und 800 mm.
- Behandlungsdurchfluss 12 – 350 l/s
- Hydraulischer Durchfluss 30 – 875 l/s
- Anschliessbare Fläche 1200 – 35 000 m2
- Aus Wartungsgründen dürfen die Einstiegsöffnungen maximal um 30 cm aufgesetzt werden.
Mit CAD- & BIM-Daten erleichtern wir Ihnen die digitale Planung von Bauprojekten.
3D-Zeichnungen eines Bauvorhabens ermöglichen eine sichere Planung und die Vernetzung projektrelevanter Informationen. Die originalgetreuen Visualisierungen sorgen durch eine gesteigerte Effektivität für Kostensicherheit, Termintreue und Qualität.
Gerne stellen wir Ihnen von einer Vielzahl unserer Artikeln CAD- und BIM-Daten in den drei Formaten DWG, IFC und NDW zur Verfügung.