friwa®-rain Regenwasserfilter RWF
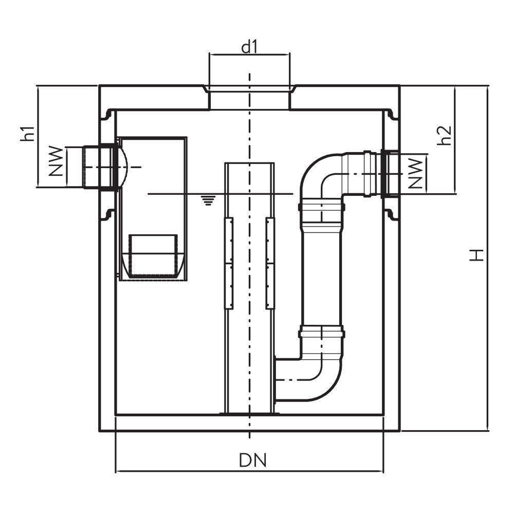
Die friwa®-rain 3P Filtersäule dient der Reinigung von Regenwasser, das über Dachflächen gesammelt wird – etwa zur anschliessenden Nutzung in einer Zisterne, zur Versickerung oder zur Einleitung in eine Vorflut. Die Filtersäule ist mittig in einem Fertigteil-Betonschacht angeordnet und mit einem Edelstahlsiebgewebe ausgestattet. Mit einer Maschenweite von 0,39 × 0,98 mm werden partikuläre Schmutzstoffe zuverlässig aus dem Regenwasser entfernt.
Das gereinigte Regenwasser steht somit für die weitere Verwendung zur Verfügung. Die Dimensionierung der Zu- und Ablaufstutzen sowie der Siebfläche erfolgt in Abhängigkeit von der angeschlossenen Dachfläche.
- anschliessbare Dachflächen bis 9000 m2
- max. Durchflussmenge bis 270 l/s
- hohe Filtration und grosser Rückhalt von Schmutzstoffen
- kompaktes System mit hoher Betriebssicherheit
- |
| Sortierung | Art.-Nr. | Produktinformationen | LF | Typ | GR | HW | DN | d1 (mm) | H (mm) | h1 (mm) | h2 (mm) | NW (mm) | V (l) | G tot. (kg/Stk.) | Per | Preis | |||
|---|---|---|---|---|---|---|---|---|---|---|---|---|---|---|---|---|---|---|---|
| 4284 | 192028 |
friwa-rain Regenwasserfilter RWF |
stock-1 | 15 | GR CK | HW 22 | DN 1000 | d1 (mm) 600 | H (mm) 2580 | h1 (mm) 760 | h2 (mm) 810 | NW (mm) 150 | V (l) 470 | G tot. (kg/Stk.) 3115 | Stk. | 6300.00 CHF |
|
|
|
| 4285 | 194768 |
friwa-rain Regenwasserfilter RWF |
stock-1 | 37 | GR CK | HW 22 | DN 1250 | d1 (mm) 600 | H (mm) 2580 | h1 (mm) 760 | h2 (mm) 810 | NW (mm) 200 | V (l) 735 | G tot. (kg/Stk.) 4060 | Stk. | 7320.00 CHF |
|
|
|
| 4286 | 144474 |
friwa-rain Regenwasserfilter RWF |
stock-1 | 52 | GR CK | HW 22 | DN 1500 | d1 (mm) 600 | H (mm) 2580 | h1 (mm) 760 | h2 (mm) 810 | NW (mm) 250 | V (l) 1060 | G tot. (kg/Stk.) 5085 | Stk. | 9570.00 CHF |
|
|
|
| 4287 | 161868 |
friwa-rain Regenwasserfilter RWF |
stock-2 | 75 | GR CK | HW 22 | DN 1750 | d1 (mm) 600 | H (mm) 2580 | h1 (mm) 760 | h2 (mm) 810 | NW (mm) 300 | V (l) 1445 | G tot. (kg/Stk.) 6160 | Stk. | 11380.00 CHF |
|
|
|
| 4288 | 124665 |
friwa-rain Regenwasserfilter RWF |
stock-2 | 105 | GR CK | HW 22 | DN 2000 | d1 (mm) 600 | H (mm) 2580 | h1 (mm) 760 | h2 (mm) 810 | NW (mm) 300 | V (l) 1885 | G tot. (kg/Stk.) 7290 | Stk. | 13310.00 CHF |
|
|
|
| 4289 | 173159 |
friwa-rain Regenwasserfilter RWF |
stock-3 | 174 | GR CK | HW 22 | DN 2500 | d1 (mm) 600 | H (mm) 2580 | h1 (mm) 760 | h2 (mm) 810 | NW (mm) 400 | V (l) 2945 | G tot. (kg/Stk.) 10465 | Stk. | 16340.00 CHF |
|
|
|
| 4290 | 107864 |
friwa-rain Regenwasserfilter RWF |
stock-3 | 270 | GR CK | HW 22 | DN 3000 | d1 (mm) 800 | H (mm) 2450 | h1 (mm) 760 | h2 (mm) 810 | NW (mm) 400 | V (l) 4240 | G tot. (kg/Stk.) 15320 | Stk. | 19880.00 CHF |
|
|
rund, inkl. befahrbarer Abdeckplatte D 400, Muffentyp G, exkl. Einsatzdeckel
- Einsatz für die physikalische Behandlung (Sieb) von Dachwasser.
- Fugenloser bewehrter Behälter mit Muffen und Keilgleitdichtungen
- Ein- und Auslauf mit Aussparung und Dichtung für Kunststoffrohre aus PVC, HDPE oder PP
- Einsatzdeckel d: 600-800 mm
- Behandlungsdurchfluss 15-270 l/s
- Anschliessbare Fläche 500 – 9000 m2
- Aus Wartungsgründen dürfen die Einstiegsöffnungen maximal um 30 cm aufgesetzt werden.
Mit CAD- & BIM-Daten erleichtern wir Ihnen die digitale Planung von Bauprojekten.
3D-Zeichnungen eines Bauvorhabens ermöglichen eine sichere Planung und die Vernetzung projektrelevanter Informationen. Die originalgetreuen Visualisierungen sorgen durch eine gesteigerte Effektivität für Kostensicherheit, Termintreue und Qualität.
Gerne stellen wir Ihnen von einer Vielzahl unserer Artikeln CAD- und BIM-Daten in den drei Formaten DWG, IFC und NDW zur Verfügung.