friwa®-sep Schlammfänge SF
Die friwa®-sep Schlammfänge SF halten im Abwasser gebundene Sand- und Schlammpartikel zurück. Sie kommen vor Mineralölabscheidern zum Einsatz.
Bevor ölhaltige Abwasser in einem Mineralölabscheider behandelt werden, müssen sie einer Vorreinigung unterzogen werden. Dies geschieht in unseren friwa®-sep Schlammfängen SF. Dort sinken Sand- und Schlammpartikel ab. Zudem verringert sich im Schlammfang die Durchflussgeschwindigkeit des Abwassers, was den Reinigungsprozess begünstigt.
Schlammfang beruhigt das Abwasser
Ein ausreichend grosser Schlammfang ist vor jedem Mineralölabscheider vorgeschrieben. Denn im ölhaltigen Abwasser befinden sich auch Sand, Schlamm und Sinkstoffe, die vor dem Ölabscheider zu entfernen sind. Ein friwa®-sep Schlammfang SF bewirkt genau diese Zurückhaltung von Feststoffen und zwar nach einem einfachen Prinzip: Beim Einlauf in den fugenlosen Betonbehälter vergrössert sich die Oberfläche des anfallenden Abwassers. Dies beruhigt und drosselt die Durchlaufgeschwindigkeit des Wassers. Dadurch verlängert sich dessen Aufenthaltszeit im friwa®-sep Schlammfang SF auf rund 120 Sekunden. Zusammen mit der Schwerkraft führt dies zu einer Sedimentation der Feststoffe. Sand- und Schlammpartikel sinken in den Schlammraum ab.
Fragen Sie unsere Fachleute
Unsere friwa®-sep Schlammfänge SF leiten bereits vor dem Mineralölabscheider die Trennung von ölhaltigem Abwasser ein. Zudem gleicht der Schlammfang Temperaturunterschiede und schwankende Zuflussmengen aus. Es besteht die Möglichkeit, ihm eine friwa®-sep Schlammgrube SG vorzuschalten. Sie vollzieht eine erste Grobscheidung des Abwassers. Dies entlastet den Schlammfang und er kann kleiner dimensioniert werden. Die Wartung, Entleerung und Reinigung unserer friwa®-sep Schlammfänge SF ist in regelmässigen Abständen durchzuführen. Detaillierte Informationen erhalten Sie in der Technischen Dokumentation zur friwa®-Abwassertechnik oder von unseren erfahrenen Fachleuten.
- |
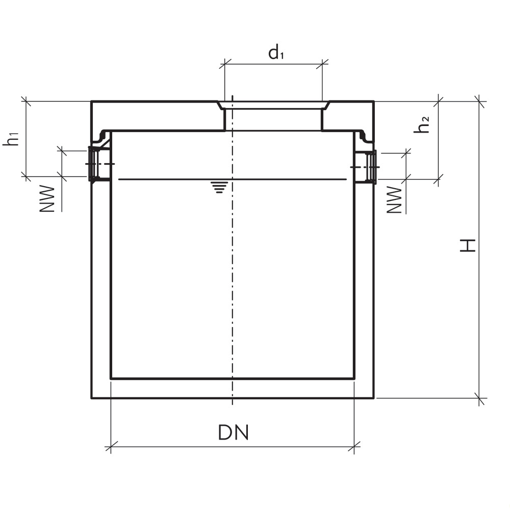
| Sortierung | Art.-Nr. | Produktinformationen | LF | Typ | GR | HW | DN | d1 (mm) | H (mm) | h1 (mm) | h2 (mm) | NW (mm) | V (l) | G tot. (kg/Stk.) | Per | Preis | |||
|---|---|---|---|---|---|---|---|---|---|---|---|---|---|---|---|---|---|---|---|
| 4110 | 129232 |
friwa-sep Schlammfang SF Typ 80.15 |
stock-1 | 80.15 | GR CK | HW 22 | DN 800 | d1 (mm) 600 | H (mm) 1830 | h1 (mm) 460 | h2 (mm) 480 | NW (mm) 150 | V (l) 615 | G tot. (kg/Stk.) 1760 | Stk. | 1820.00 CHF |
|
||
| 4111 | 100684 |
friwa-sep Schlammfang SF Typ 100.15 |
stock-1 | 100.15 | GR CK | HW 22 | DN 1000 | d1 (mm) 600 | H (mm) 1830 | h1 (mm) 460 | h2 (mm) 480 | NW (mm) 150 | V (l) 965 | G tot. (kg/Stk.) 2310 | Stk. | 2370.00 CHF |
|
||
| 4112 | 120640 |
friwa-sep Schlammfang SF Typ 125.15 |
stock-1 | 125.15 | GR CK | HW 22 | DN 1250 | d1 (mm) 600 | H (mm) 1830 | h1 (mm) 460 | h2 (mm) 480 | NW (mm) 150 | V (l) 1505 | G tot. (kg/Stk.) 3070 | Stk. | 2910.00 CHF |
|
||
| 4113 | 105926 |
friwa-sep Schlammfang SF Typ 150.15 |
stock-1 | 150.15 | GR CK | HW 22 | DN 1500 | d1 (mm) 600 | H (mm) 1830 | h1 (mm) 460 | h2 (mm) 480 | NW (mm) 150 | V (l) 2170 | G tot. (kg/Stk.) 3920 | Stk. | 3610.00 CHF |
|
||
| 4114 | 117304 |
friwa-sep Schlammfang SF Typ 150.20 |
stock-1 | 150.20 | GR CK | HW 22 | DN 1500 | d1 (mm) 600 | H (mm) 1830 | h1 (mm) 510 | h2 (mm) 530 | NW (mm) 200 | V (l) 2085 | G tot. (kg/Stk.) 3920 | Stk. | 3680.00 CHF |
|
||
| 4115 | 116261 |
friwa-sep Schlammfang SF Typ 175.15 |
stock-1 | 175.15 | GR CK | HW 22 | DN 1750 | d1 (mm) 600 | H (mm) 1830 | h1 (mm) 460 | h2 (mm) 480 | NW (mm) 150 | V (l) 2955 | G tot. (kg/Stk.) 4830 | Stk. | 4420.00 CHF |
|
||
| 4116 | 110096 |
friwa-sep Schlammfang SF Typ 175.20 |
stock-1 | 175.20 | GR CK | HW 22 | DN 1750 | d1 (mm) 600 | H (mm) 1830 | h1 (mm) 510 | h2 (mm) 530 | NW (mm) 200 | V (l) 2835 | G tot. (kg/Stk.) 4830 | Stk. | 4420.00 CHF |
|
||
| 4117 | 125815 |
friwa-sep Schlammfang SF Typ 200.15 |
stock-1 | 200.15 | GR CK | HW 22 | DN 2000 | d1 (mm) 600 | H (mm) 1830 | h1 (mm) 460 | h2 (mm) 480 | NW (mm) 150 | V (l) 3860 | G tot. (kg/Stk.) 5780 | Stk. | 5140.00 CHF |
|
||
| 4118 | 132920 |
friwa-sep Schlammfang SF Typ 200.20 |
stock-1 | 200.20 | GR CK | HW 22 | DN 2000 | d1 (mm) 600 | H (mm) 1830 | h1 (mm) 510 | h2 (mm) 530 | NW (mm) 200 | V (l) 3705 | G tot. (kg/Stk.) 5760 | Stk. | 5140.00 CHF |
|
||
| 4119 | 135942 |
friwa-sep Schlammfang SF Typ 200.25 |
stock-1 | 200.25 | GR CK | HW 22 | DN 2000 | d1 (mm) 600 | H (mm) 1830 | h1 (mm) 560 | h2 (mm) 580 | NW (mm) 250 | V (l) 3450 | G tot. (kg/Stk.) 5780 | Stk. | 5170.00 CHF |
|
||
| 4120 | 115009 |
friwa-sep Schlammfang SF Typ 250.15 |
stock-1 | 250.15 | GR CK | HW 22 | DN 2500 | d1 (mm) 600 | H (mm) 1830 | h1 (mm) 460 | h2 (mm) 480 | NW (mm) 150 | V (l) 5890 | G tot. (kg/Stk.) 8610 | Stk. | 7920.00 CHF |
|
||
| 4121 | 137119 |
friwa-sep Schlammfang SF Typ 250.20 |
stock-1 | 250.20 | GR CK | HW 22 | DN 2500 | d1 (mm) 600 | H (mm) 1830 | h1 (mm) 510 | h2 (mm) 530 | NW (mm) 200 | V (l) 5645 | G tot. (kg/Stk.) 8610 | Stk. | 7920.00 CHF |
|
||
| 4122 | 135693 |
friwa-sep Schlammfang SF Typ 250.25A |
stock-1 | 250.25A | GR CK | HW 22 | DN 2500 | d1 (mm) 600 | H (mm) 1830 | h1 (mm) 560 | h2 (mm) 580 | NW (mm) 250 | V (l) 5400 | G tot. (kg/Stk.) 8610 | Stk. | 7920.00 CHF |
|
||
| 4123 | 139731 |
friwa-sep Schlammfang SF Typ 250.25B |
stock-1 | 250.25B | GR CK | HW 22 | DN 2500 | d1 (mm) 600 | H (mm) 2330 | h1 (mm) 560 | h2 (mm) 580 | NW (mm) 250 | V (l) 7455 | G tot. (kg/Stk.) 9920 | Stk. | 9280.00 CHF |
|
||
| 4124 | 109006 |
friwa-sep Schlammfang SF Typ 250.30 |
stock-1 | 250.30 | GR CK | HW 22 | DN 2500 | d1 (mm) 600 | H (mm) 1830 | h1 (mm) 610 | h2 (mm) 630 | NW (mm) 300 | V (l) 4700 | G tot. (kg/Stk.) 8610 | Stk. | 7980.00 CHF |
|
||
| 4125 | 114240 |
friwa-sep Schlammfang SF Typ 250.40 |
stock-1 | 250.40 | GR CK | HW 22 | DN 2500 | d1 (mm) 600 | H (mm) 2080 | h1 (mm) 710 | h2 (mm) 730 | NW (mm) 400 | V (l) 5945 | G tot. (kg/Stk.) 9215 | Stk. | 8240.00 CHF |
|
||
| 4126 | 109456 |
friwa-sep Schlammfang SF Typ 300.25 |
stock-2 | 300.25 | GR CK | HW 22 | DN 3000 | d1 (mm) 600 | H (mm) 2200 | h1 (mm) 560 | h2 (mm) 580 | NW (mm) 250 | V (l) 9895 | G tot. (kg/Stk.) 14540 | Stk. | 12670.00 CHF |
|
||
| 4127 | 122189 |
friwa-sep Schlammfang SF Typ 300.30A |
stock-2 | 300.30A | GR CK | HW 22 | DN 3000 | d1 (mm) 600 | H (mm) 2200 | h1 (mm) 630 | h2 (mm) 650 | NW (mm) 300 | V (l) 9680 | G tot. (kg/Stk.) 14540 | Stk. | 12870.00 CHF |
|
||
| 4128 | 121233 |
friwa-sep Schlammfang SF Typ 300.30B |
stock-2 | 300.30B | GR CK | HW 22 | DN 3000 | d1 (mm) 600 | H (mm) 2450 | h1 (mm) 630 | h2 (mm) 650 | NW (mm) 300 | V (l) 11450 | G tot. (kg/Stk.) 15370 | Stk. | 13770.00 CHF |
|
||
| 4129 | 120332 |
friwa-sep Schlammfang SF Typ 300.40A |
stock-2 | 300.40A | GR CK | HW 22 | DN 3000 | d1 (mm) 600 | H (mm) 2450 | h1 (mm) 710 | h2 (mm) 730 | NW (mm) 400 | V (l) 10740 | G tot. (kg/Stk.) 15370 | Stk. | 14140.00 CHF |
|
||
| 4130 | 124621 |
friwa-sep Schlammfang SF Typ 300.40B |
stock-2 | 300.40B | GR CK | HW 22 | DN 3000 | d1 (mm) 600 | H (mm) 2700 | h1 (mm) 710 | h2 (mm) 730 | NW (mm) 400 | V (l) 12505 | G tot. (kg/Stk.) 16200 | Stk. | 14680.00 CHF |
|
||
| 4131 | 109813 |
friwa-sep Schlammfang SF Typ 300.40C |
stock-2 | 300.40C | GR CK | HW 22 | DN 3000 | d1 (mm) 600 | H (mm) 2950 | h1 (mm) 710 | h2 (mm) 730 | NW (mm) 400 | V (l) 14270 | G tot. (kg/Stk.) 17030 | Stk. | 15170.00 CHF |
|
||
| 4132 | 106869 |
friwa-sep Schlammfang SF Typ 300.40D |
stock-2 | 300.40D | GR CK | HW 22 | DN 3000 | d1 (mm) 600 | H (mm) 3450 | h1 (mm) 710 | h2 (mm) 730 | NW (mm) 400 | V (l) 17800 | G tot. (kg/Stk.) 18690 | Stk. | 16170.00 CHF |
|
rund, inkl. befahrbarer Abdeckplatte D 400, Muffentyp G, exkl. Einsatzdeckel
- Für den Einsatz vor jedem Mineralölabscheider. Zurückhaltung der im Abwasser vorhandenen Sand- und Schlammpartikel.
- Aus Wartungsgründen dürfen die Einstiegsöffnungen maximal um 30 cm aufgesetzt werden.
Mit CAD- & BIM-Daten erleichtern wir Ihnen die digitale Planung von Bauprojekten.
3D-Zeichnungen eines Bauvorhabens ermöglichen eine sichere Planung und die Vernetzung projektrelevanter Informationen. Die originalgetreuen Visualisierungen sorgen durch eine gesteigerte Effektivität für Kostensicherheit, Termintreue und Qualität.
Gerne stellen wir Ihnen von einer Vielzahl unserer Artikeln CAD- und BIM-Daten in den drei Formaten DWG, IFC und NDW zur Verfügung.