friwa®-sep Mineralölabscheider MA
Der friwa®-sep Mineralölabscheider MA erzielt einen hohen Wirkungsgrad. Mineralische Leichtflüssigkeiten und Feststoffe werden konsequent vom Wasser getrennt und zurückgehalten.
Wenn Wasser durch ungelöste, direkt abscheidbare, mineralische Leichtflüssigkeiten verschmutzt ist, leistet der friwa®-sep Mineralölabscheider MA zuverlässige Dienste. Die Betonbehälter sind mit geprüften Ein- und Auslaufschikanen ausgerüstet. Dadurch verringert sich die Fliessgeschwindigkeit des Abwassers. Dies schafft genügend Zeit, damit sich Öle und Feststoffe vom Wasser trennen.
Ölabscheider für Garagen und Waschanlagen
Die Einsatzgebiete des friwa®-sep Mineralölabscheider MA sind:
- Garagen und Autowerkstätten
- Waschanlagen
- Abstellplätze
- Parkhäuser
- gewerbliche Betriebe
Betonbehälter mit drei Räumen
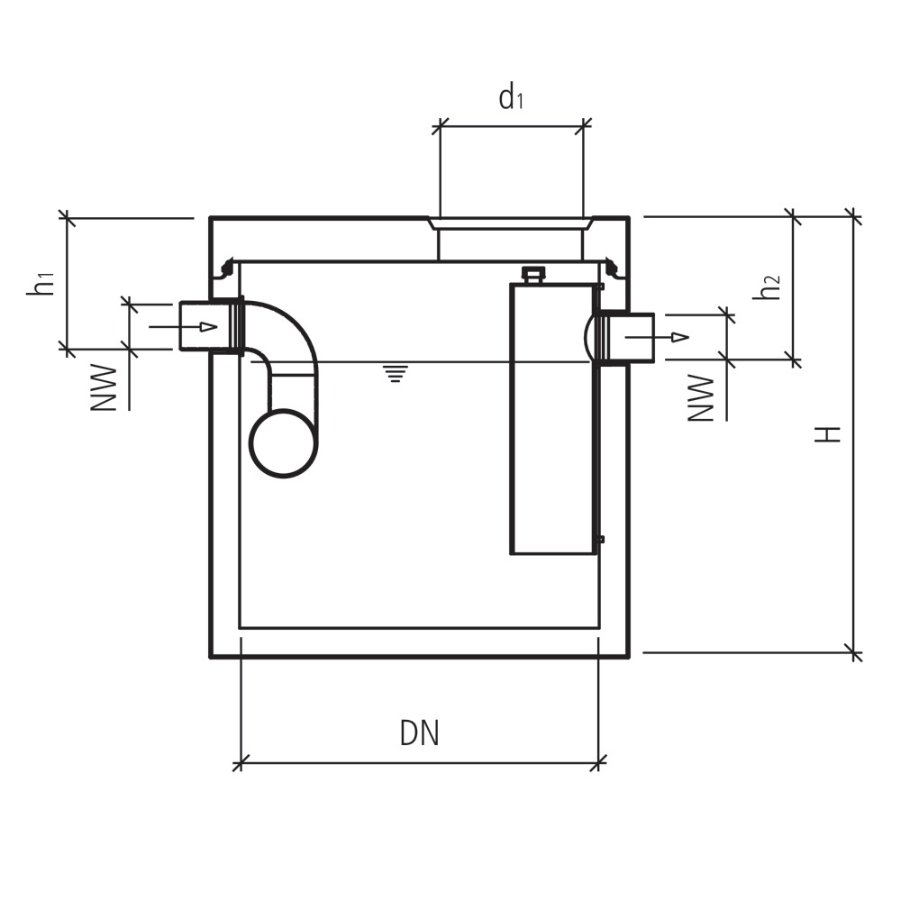
Der friwa®-sep Mineralölabscheider MA funktioniert nach einem ausgeklügelten System: Die Einlaufschikane bremst das Abwasser, verlängert dessen Aufenthaltszeit auf rund 180 Sekunden und verteilt es gleichmässig. Dadurch ist die Abscheideoberfläche optimal durchströmt. Im Abscheideraum kommt es zur Trennung von Wasser, Öl und Feststoffen. Die aufschwimmenden Leichtflüssigkeiten werden im Ölsammelraum und die absinkenden Feststoffe im Schlammraum gespeichert. Die Auslaufschikane verhindert schliesslich, dass die abgeschiedenen Öle mit dem Wasser austreten.
Mineralölabscheider der Klasse II
Im optimalen Fall erreicht der friwa®-sep Mineralölabscheider MA einen Wirkungsgrad bzw. eine Reinigungsleistung von 97 %. Damit beträgt der Kohlenwasserstoffgehalt beim Auslauf weniger als 100 mg/l, was der Klasse II entspricht. Beachten Sie, dass jedem Mineralölabscheider zwecks Vorreinigung ein entsprechender friwa®-sep Schlammfang vorgeschaltet werden muss. Bedarf es nach dem Ölabscheider einer weiteren Reinigung des Abwassers, kann ein friwa®-rec Stapelbehälter STB als Puffer eingesetzt werden. Ist das Wasser genügend sauber, um es wiederzuverwenden, ist der Einbau eines friwa®-rec Entnahmebecken EB die passende Lösung für die Entnahme des Brauchwassers.
- |
| Sortierung | Art.-Nr. | Produktinformationen | LF | GR | HW | NG (l/s) | DN | d1 (mm) | H (mm) | h1 (mm) | h2 (mm) | NW (mm) | G tot. (kg/Stk.) | Per | Preis | |||
|---|---|---|---|---|---|---|---|---|---|---|---|---|---|---|---|---|---|---|
| 4133 | 118286 |
friwa-sep Mineralölabscheider MA |
stock-1 | GR CK | HW 22 | NG (l/s) 2 | DN 800 | d1 (mm) 600 | H (mm) 1830 | h1 (mm) 500 | h2 (mm) 550 | NW (mm) 150 | G tot. (kg/Stk.) 1780 | Stk. | 2610.00 CHF |
|
||
| 4134 | 116452 |
friwa-sep Mineralölabscheider MA |
stock-1 | GR CK | HW 22 | NG (l/s) 3 – 6 | DN 1000 | d1 (mm) 600 | H (mm) 1830 | h1 (mm) 500 | h2 (mm) 550 | NW (mm) 150 | G tot. (kg/Stk.) 2330 | Stk. | 3300.00 CHF |
|
||
| 4135 | 107304 |
friwa-sep Mineralölabscheider MA |
stock-1 | GR CK | HW 22 | NG (l/s) 10 | DN 1250 | d1 (mm) 600 | H (mm) 1830 | h1 (mm) 500 | h2 (mm) 550 | NW (mm) 150 | G tot. (kg/Stk.) 3090 | Stk. | 4330.00 CHF |
|
||
| 4136 | 132884 |
friwa-sep Mineralölabscheider MA |
stock-1 | GR CK | HW 22 | NG (l/s) 15 | DN 1250 | d1 (mm) 600 | H (mm) 1830 | h1 (mm) 550 | h2 (mm) 600 | NW (mm) 200 | G tot. (kg/Stk.) 3100 | Stk. | 4850.00 CHF |
|
||
| 4137 | 118582 |
friwa-sep Mineralölabscheider MA |
stock-1 | GR CK | HW 22 | NG (l/s) 20 | DN 1500 | d1 (mm) 600 | H (mm) 1830 | h1 (mm) 550 | h2 (mm) 600 | NW (mm) 200 | G tot. (kg/Stk.) 3950 | Stk. | 5660.00 CHF |
|
||
| 4138 | 122861 |
friwa-sep Mineralölabscheider MA |
stock-2 | GR CK | HW 22 | NG (l/s) 30 | DN 1750 | d1 (mm) 600 | H (mm) 1830 | h1 (mm) 600 | h2 (mm) 650 | NW (mm) 250 | G tot. (kg/Stk.) 4870 | Stk. | 8450.00 CHF |
|
||
| 4139 | 134405 |
friwa-sep Mineralölabscheider MA |
stock-2 | GR CK | HW 22 | NG (l/s) 40 | DN 2000 | d1 (mm) 600 | H (mm) 1830 | h1 (mm) 650 | h2 (mm) 700 | NW (mm) 300 | G tot. (kg/Stk.) 5830 | Stk. | 10700.00 CHF |
|
||
| 4140 | 115702 |
friwa-sep Mineralölabscheider MA |
stock-3 | GR CK | HW 22 | NG (l/s) 50 | DN 2500 | d1 (mm) 600 | H (mm) 2080 | h1 (mm) 750 | h2 (mm) 800 | NW (mm) 400 | G tot. (kg/Stk.) 9440 | Stk. | 13760.00 CHF |
|
||
| 4141 | 132427 |
friwa-sep Mineralölabscheider MA |
stock-3 | GR CK | HW 22 | NG (l/s) 65 | DN 3000 | d1 (mm) 600 | H (mm) 2200 | h1 (mm) 750 | h2 (mm) 800 | NW (mm) 400 | G tot. (kg/Stk.) 14690 | Stk. | 15990.00 CHF |
|
||
| 4142 | 114251 |
friwa-sep Mineralölabscheider MA |
stock-3 | GR CK | HW 22 | NG (l/s) 80 | DN 3000 | d1 (mm) 600 | H (mm) 2450 | h1 (mm) 750 | h2 (mm) 800 | NW (mm) 400 | G tot. (kg/Stk.) 15450 | Stk. | 16460.00 CHF |
|
||
| 4143 | 103021 |
friwa-sep Mineralölabscheider MA |
stock-3 | GR CK | HW 22 | NG (l/s) 100 | DN 3000 | d1 (mm) 600 | H (mm) 2700 | h1 (mm) 750 | h2 (mm) 800 | NW (mm) 400 | G tot. (kg/Stk.) 16300 | Stk. | 17970.00 CHF |
|
rund, inkl. befahrbarer Abdeckplatte D 400, Muffentyp G, exkl. Einsatzdeckel
- Mineralölabscheider Klasse II, max. KWS-Gehalt im Ablauf: 100 mg/l.
- Aus Wartungsgründen dürfen die Einstiegsöffnungen maximal um 30 cm aufgesetzt werden.
Mit CAD- & BIM-Daten erleichtern wir Ihnen die digitale Planung von Bauprojekten.
3D-Zeichnungen eines Bauvorhabens ermöglichen eine sichere Planung und die Vernetzung projektrelevanter Informationen. Die originalgetreuen Visualisierungen sorgen durch eine gesteigerte Effektivität für Kostensicherheit, Termintreue und Qualität.
Gerne stellen wir Ihnen von einer Vielzahl unserer Artikeln CAD- und BIM-Daten in den drei Formaten DWG, IFC und NDW zur Verfügung.