friwa®-sep Kompaktanlagen SF/MAKS/AS
Für den Einsatz bei Tankstellen und Umschlagplätzen für Erdölprodukten. Die Kompaktanlage SF/MAKS/AS (mit Schlammfang, Mineralölabscheider mit selbsttätigem Abschluss, Koaleszenzstufe und Ölrückhaltespeicher) kann eingesetzt werden, wenn die abzuleitende Abwassermenge gering ist (≤ 20 l/s) und die Gefahr besteht, dass bei Unfällen eine grössere Menge von Leichtflüssigkeiten auftreten kann.
Gelangt mehr Leichtflüssigkeit als vorgesehen in den Mineralölabscheider, so schliesst der selbsttätige Schwimmer. Die anfallende Leichtflüssigkeit wird dann durch den Überlauf in den Ölrückhaltespeicher abgeleitet. In der Regel werden die Ölrückhaltebehälter mit einer entsprechenden Überwachungsanlage ausgerüstet. Unter optimalen Einsatzbedingungen erreicht die Kompaktanlage einen Wirkungsgrad bzw. eine Reinigungsleistung von 99.97 %, so dass der Kohlenwasserstoffgehalt beim Auslauf weniger als 5 mg/l beträgt, dies entspricht der Klasse I.
- |
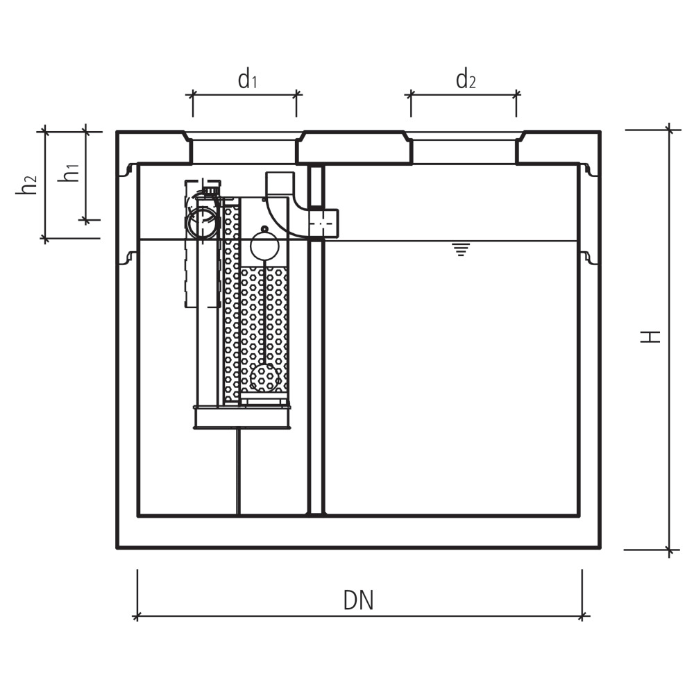
| Sortierung | Art.-Nr. | Produktinformationen | LF | GR | HW | NG (l/s) | DN | d1 (mm) | H (mm) | h1 (mm) | h2 (mm) | NW (mm) | G tot. (kg/Stk.) | Per | Preis | |||
|---|---|---|---|---|---|---|---|---|---|---|---|---|---|---|---|---|---|---|
| 4205 | 129406 |
Kompaktanlage SF/MAKS/ORB NG 3-10 |
stock-3 | GR CK | HW 22 | NG (l/s) 3 – 10 | DN 2500 | d1 (mm) 600 | H (mm) 2330 | h1 (mm) 500 | h2 (mm) 600 | NW (mm) 150 | G tot. (kg/Stk.) 10780 | Stk. | 20010.00 CHF |
|
|
|
| 4206 | 127534 |
Kompaktanlage SF/MAKS/ORB NG 15-20 |
stock-3 | GR CK | HW 22 | NG (l/s) 15 – 20 | DN 3000 | d1 (mm) 600 | H (mm) 2200 | h1 (mm) 500 | h2 (mm) 600 | NW (mm) 200 | G tot. (kg/Stk.) 15590 | Stk. | 24120.00 CHF |
|
|
Mineralölabscheider rund mit integriertem Schlammfang, mit Koaleszenzstufe, mit selbsttätigem Abschluss und Ölrückhalteraum, inkl. befahrbarer Abdeckplatte D 400, Muffentyp G, exkl. Einsatzdeckel
- Mineralölabscheider mit selbsttätigem Abschluss, integriertem Schlammfang für mittleren Schlammanfall und Ölrückhalteraum.
- Mineralölabscheider Klasse I, max. KWS-Gehalt im Ablauf: 5 mg/l.
- Einsatzdeckel (d1 und d2): 3 x DN 600 mm.
- Volumen ORB bei Typ NG 3 – 10: 5065 l
- Volumen ORB bei Typ NG 15 – 20: 6450 l
- AdBlue Vorrichtung auf Anfrage.
- Auf Anfrage kann diese Anlage auch gespiegelt und / oder seitenverkehrt erstellt werden.
- Aus Wartungsgründen dürfen die Einstiegsöffnungen maximal um 30 cm aufgesetzt werden.
Mit CAD- & BIM-Daten erleichtern wir Ihnen die digitale Planung von Bauprojekten.
3D-Zeichnungen eines Bauvorhabens ermöglichen eine sichere Planung und die Vernetzung projektrelevanter Informationen. Die originalgetreuen Visualisierungen sorgen durch eine gesteigerte Effektivität für Kostensicherheit, Termintreue und Qualität.
Gerne stellen wir Ihnen von einer Vielzahl unserer Artikeln CAD- und BIM-Daten in den drei Formaten DWG, IFC und NDW zur Verfügung.