friwa®-rec Stapelbehälter STB
Zur Stapelung von ölhaltigem, vorgereinigtem Abwasser in Kombination mit einer Emulsionsspaltanlage.
Überall, wo Mineralöle bzw. Kohlenwasserstoffe in emulgierter, dispergierter oder gelöster Form im Schmutzwasser vorkommen, muss in der Regel das Schmutzwasser zusätzlich gereinigt werden. Die Reinigung erfolgt durch eine Emulsionsspaltanlage, Neutralisationsanlage oder Multifunktionsanlage. Der Betrieb solcher Anlagen erfolgt chargenweise um auch kurzfristige Schmutzwasseranfallspitzen verarbeiten zu können. Als Puffer wird in solchen Situationen ein Stapelbehälter nach dem Mineralölabscheider und vor der Emulsionsspalt- oder Neutralisationsanlage eingeschaltet.
In der Regel werden diese Anlagen im Bereich der Stapelung mit einer Tauchpumpe mit Niveausteuerung ausgerüstet. Wird keine Reinigungsanlage nachgeschaltet, so weist der Raum der Stapelung keinen Auslauf auf und muss regelmässig entleert werden.
- |
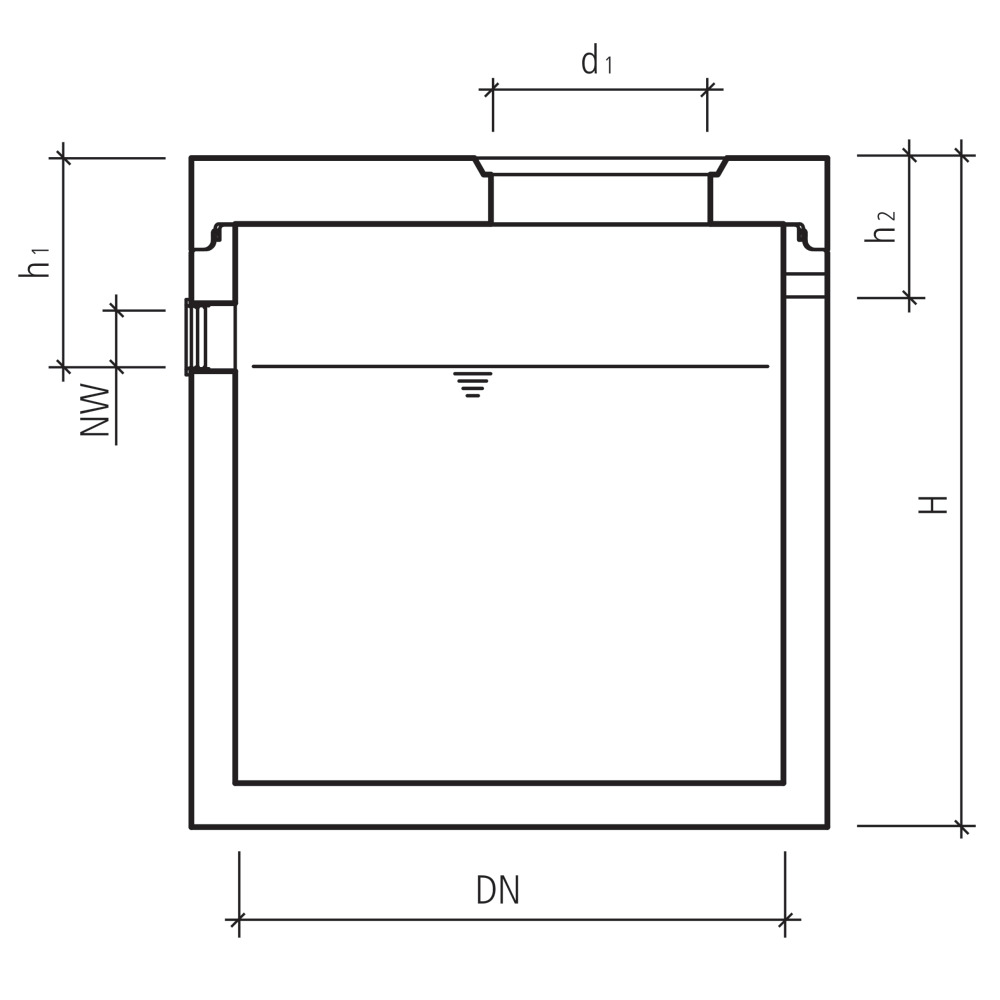
| Sortierung | Art.-Nr. | Produktinformationen | LF | Typ | GR | HW | DN | d1 (mm) | H (mm) | h1 (mm) | h2 (mm) | NW (mm) | G tot. (kg/Stk.) | Per | Preis | |||
|---|---|---|---|---|---|---|---|---|---|---|---|---|---|---|---|---|---|---|
| 4050 | 138276 |
friwa-rec Stapelbehälter STB |
stock-2 | 100 | GR CK | HW 22 | DN 1000 | d1 (mm) 600 | H (mm) 1830 | h1 (mm) 570 | h2 (mm) 470 | NW (mm) 150 | G tot. (kg/Stk.) 2310 | Stk. | 2530.00 CHF |
|
||
| 4051 | 104188 |
friwa-rec Stapelbehälter STB |
stock-2 | 125.A | GR CK | HW 22 | DN 1250 | d1 (mm) 600 | H (mm) 1830 | h1 (mm) 570 | h2 (mm) 470 | NW (mm) 150 | G tot. (kg/Stk.) 3070 | Stk. | 3050.00 CHF |
|
||
| 4052 | 129413 |
friwa-rec Stapelbehälter STB |
stock-2 | 125.B | GR CK | HW 22 | DN 1250 | d1 (mm) 600 | H (mm) 2580 | h1 (mm) 570 | h2 (mm) 470 | NW (mm) 150 | G tot. (kg/Stk.) 4020 | Stk. | 3470.00 CHF |
|
||
| 4053 | 105891 |
friwa-rec Stapelbehälter STB |
stock-2 | 150.A | GR CK | HW 22 | DN 1500 | d1 (mm) 600 | H (mm) 1830 | h1 (mm) 570 | h2 (mm) 470 | NW (mm) 150 | G tot. (kg/Stk.) 3920 | Stk. | 3680.00 CHF |
|
||
| 4054 | 104582 |
friwa-rec Stapelbehälter STB |
stock-2 | 150.B | GR CK | HW 22 | DN 1500 | d1 (mm) 600 | H (mm) 2580 | h1 (mm) 570 | h2 (mm) 470 | NW (mm) 150 | G tot. (kg/Stk.) 5045 | Stk. | 4140.00 CHF |
|
||
| 4055 | 125454 |
friwa-rec Stapelbehälter STB |
stock-2 | 175.A | GR CK | HW 22 | DN 1750 | d1 (mm) 600 | H (mm) 1830 | h1 (mm) 570 | h2 (mm) 470 | NW (mm) 150 | G tot. (kg/Stk.) 4830 | Stk. | 4420.00 CHF |
|
||
| 4056 | 135955 |
friwa-rec Stapelbehälter STB |
stock-2 | 175.B | GR CK | HW 22 | DN 1750 | d1 (mm) 600 | H (mm) 2580 | h1 (mm) 570 | h2 (mm) 470 | NW (mm) 150 | G tot. (kg/Stk.) 6120 | Stk. | 5250.00 CHF |
|
||
| 4057 | 110509 |
friwa-rec Stapelbehälter STB |
stock-2 | 200.A | GR CK | HW 22 | DN 2000 | d1 (mm) 600 | H (mm) 1830 | h1 (mm) 570 | h2 (mm) 470 | NW (mm) 150 | G tot. (kg/Stk.) 5780 | Stk. | 5000.00 CHF |
|
||
| 4058 | 122117 |
friwa-rec Stapelbehälter STB |
stock-2 | 200.B | GR CK | HW 22 | DN 2000 | d1 (mm) 600 | H (mm) 2080 | h1 (mm) 570 | h2 (mm) 470 | NW (mm) 150 | G tot. (kg/Stk.) 6270 | Stk. | 5220.00 CHF |
|
||
| 4059 | 130596 |
friwa-rec Stapelbehälter STB |
stock-2 | 200.C | GR CK | HW 22 | DN 2000 | d1 (mm) 600 | H (mm) 2580 | h1 (mm) 570 | h2 (mm) 470 | NW (mm) 150 | G tot. (kg/Stk.) 7250 | Stk. | 5660.00 CHF |
|
||
| 4060 | 120440 |
friwa-rec Stapelbehälter STB |
stock-2 | 200.D | GR CK | HW 22 | DN 2000 | d1 (mm) 600 | H (mm) 2830 | h1 (mm) 570 | h2 (mm) 470 | NW (mm) 150 | G tot. (kg/Stk.) 7740 | Stk. | 6030.00 CHF |
|
||
| 4061 | 105553 |
friwa-rec Stapelbehälter STB |
stock-3 | 250.A | GR CK | HW 22 | DN 2500 | d1 (mm) 600 | H (mm) 1830 | h1 (mm) 570 | h2 (mm) 470 | NW (mm) 150 | G tot. (kg/Stk.) 9035 | Stk. | 7320.00 CHF |
|
||
| 4062 | 137822 |
friwa-rec Stapelbehälter STB |
stock-3 | 250.B | GR CK | HW 22 | DN 2500 | d1 (mm) 600 | H (mm) 2080 | h1 (mm) 570 | h2 (mm) 470 | NW (mm) 150 | G tot. (kg/Stk.) 9215 | Stk. | 8380.00 CHF |
|
||
| 4063 | 109438 |
friwa-rec Stapelbehälter STB |
stock-3 | 250.C | GR CK | HW 22 | DN 2500 | d1 (mm) 600 | H (mm) 2330 | h1 (mm) 570 | h2 (mm) 470 | NW (mm) 150 | G tot. (kg/Stk.) 10295 | Stk. | 9300.00 CHF |
|
||
| 4064 | 129773 |
friwa-rec Stapelbehälter STB |
stock-3 | 300.A | GR CK | HW 22 | DN 3000 | d1 (mm) 600 | H (mm) 2200 | h1 (mm) 570 | h2 (mm) 470 | NW (mm) 150 | G tot. (kg/Stk.) 14540 | Stk. | 10080.00 CHF |
|
||
| 4065 | 107792 |
friwa-rec Stapelbehälter STB |
stock-3 | 300.B | GR CK | HW 22 | DN 3000 | d1 (mm) 600 | H (mm) 2450 | h1 (mm) 570 | h2 (mm) 470 | NW (mm) 150 | G tot. (kg/Stk.) 15370 | Stk. | 11290.00 CHF |
|
rund, inkl. befahrbarer Abdeckplatte D 400, Muffentyp G, exkl. Einsatzdeckel
- Zur Stapelung von ölhaltigem, vorgereinigtem Abwasser in Kombination mit einer Emulsionsspaltanlage.
- Volumen Stapelbehälter entspricht in der Regel dem doppelten täglichen Abwasseranfall.
- Aus Wartungsgründen dürfen die Einstiegsöffnungen maximal um 30 cm aufgesetzt werden.
Mit CAD- & BIM-Daten erleichtern wir Ihnen die digitale Planung von Bauprojekten.
3D-Zeichnungen eines Bauvorhabens ermöglichen eine sichere Planung und die Vernetzung projektrelevanter Informationen. Die originalgetreuen Visualisierungen sorgen durch eine gesteigerte Effektivität für Kostensicherheit, Termintreue und Qualität.
Gerne stellen wir Ihnen von einer Vielzahl unserer Artikeln CAD- und BIM-Daten in den drei Formaten DWG, IFC und NDW zur Verfügung.