friwa®-fat Fettabscheider FA
Effiziente Trennung von fetthaltigem Abwasser gemäss SN EN 1825.
Der friwa®-fat Fettabscheider ist eine leistungsfähige Lösung für den Einsatz in gewerblichen Küchen, Schlachthöfen und Betrieben der Lebensmittelindustrie. Er sorgt für die zuverlässige Trennung von tierischen Fetten und pflanzlichen Ölen aus dem Schmutzwasser und schützt damit Rohrleitungen, Kanalisation und Umwelt nachhaltig.
Einsatzbereiche und Einbau
Der Einbau erfolgt unterirdisch – abhängig von den baulichen Gegebenheiten. Der friwa®-fat Fettabscheider eignet sich sowohl für Neubauten als auch für die Nachrüstung bestehender Anlagen. Typische Einsatzbereiche sind:
- Restaurants und Grossküchen
- Metzgereien und Schlachthöfe
- Lebensmittelverarbeitende Betriebe und Kantinen
Funktionsweise
Das von Sinkstoffen befreite Abwasser gelangt über eine integrierte Einlaufplatte in den Abscheideraum. Dort wird die Strömungsgeschwindigkeit reduziert, um eine gleichmässige Verteilung zu gewährleisten. Durch den Dichteunterschied steigen Fette und Öle an die Wasseroberfläche und bilden eine Fettschicht. Diese wird zwischen den Einlauf- und Auslaufeinbauten zurückgehalten. Die Trennung erfolgt rein physikalisch – ganz ohne chemische Zusätze.
Planung und Betrieb
Für den normgerechten Betrieb gemäss SN EN 1825 ist ein vorgeschalteter Schlammfang zwingend erforderlich. Auch die Entlüftung sowie regelmässige Wartung und Entsorgung sind wichtige Aspekte bei der Planung. Unser Fachteam unterstützt Sie gerne bei der Auswahl und Auslegung der passenden Lösung.
Beratung und Unterstützung
Haben Sie Fragen zur richtigen Dimensionierung oder zu Einbauvorgaben? Wir beraten Sie gerne persönlich.
- |
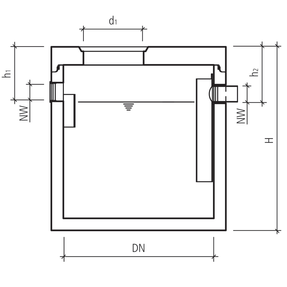
| Sortierung | Art.-Nr. | Produktinformationen | LF | GR | HW | NG (l/s) | DN | d1 (mm) | H (mm) | h1 (mm) | h2 (mm) | NW (mm) | G tot. (kg/Stk.) | Per | Preis | |||
|---|---|---|---|---|---|---|---|---|---|---|---|---|---|---|---|---|---|---|
| 4007 | 120041 |
friwa-fat Fettabscheider FA |
stock-3 | GR CK | HW 22 | NG (l/s) 2 | DN 1000 | d1 (mm) 600 | H (mm) 1830 | h1 (mm) 530 | h2 (mm) 550 | NW (mm) 150 | G tot. (kg/Stk.) 2330 | Stk. | 3730.00 CHF |
|
||
| 4008 | 119210 |
friwa-fat Fettabscheider FA |
stock-3 | GR CK | HW 22 | NG (l/s) 4 | DN 1250 | d1 (mm) 600 | H (mm) 1830 | h1 (mm) 530 | h2 (mm) 550 | NW (mm) 150 | G tot. (kg/Stk.) 3100 | Stk. | 5040.00 CHF |
|
||
| 4009 | 122816 |
friwa-fat Fettabscheider FA |
stock-3 | GR CK | HW 22 | NG (l/s) 7 | DN 1500 | d1 (mm) 600 | H (mm) 1830 | h1 (mm) 530 | h2 (mm) 550 | NW (mm) 150 | G tot. (kg/Stk.) 3950 | Stk. | 6040.00 CHF |
|
|
|
| 4010 | 127779 |
friwa-fat Fettabscheider FA |
stock-3 | GR CK | HW 22 | NG (l/s) 10 | DN 1750 | d1 (mm) 600 | H (mm) 1830 | h1 (mm) 530 | h2 (mm) 550 | NW (mm) 150 | G tot. (kg/Stk.) 4870 | Stk. | 8080.00 CHF |
|
||
| 4011 | 119777 |
friwa-fat Fettabscheider FA |
stock-3 | GR CK | HW 22 | NG (l/s) 12 | DN 2000 | d1 (mm) 600 | H (mm) 1830 | h1 (mm) 580 | h2 (mm) 600 | NW (mm) 200 | G tot. (kg/Stk.) 5800 | Stk. | 8820.00 CHF |
|
||
| 4012 | 116454 |
friwa-fat Fettabscheider FA |
stock-3 | GR CK | HW 22 | NG (l/s) 15 | DN 2500 | d1 (mm) 600 | H (mm) 1830 | h1 (mm) 580 | h2 (mm) 600 | NW (mm) 200 | G tot. (kg/Stk.) 8610 | Stk. | 11710.00 CHF |
|
||
| 4013 | 133010 |
friwa-fat Fettabscheider FA |
stock-3 | GR CK | HW 22 | NG (l/s) 25 | DN 3000 | d1 (mm) 600 | H (mm) 2200 | h1 (mm) 650 | h2 (mm) 670 | NW (mm) 250 | G tot. (kg/Stk.) 14600 | Stk. | 14210.00 CHF |
|
rund, inkl. befahrbarer Abdeckplatte D 400, Muffentyp G, exkl. Einsatzdeckel
- Einsatz erfolgt bei Restaurants, Schlachthöfen und Betrieben der Lebensmittelindustrie.
- Zurückhaltung der im Abwasser vorhandenen tierischen Fette und pflanzlichen Öle.
- Inkl. pH-beständiger Beschichtung.
- Aus Wartungsgründen dürfen die Einstiegsöffnungen maximal um 30 cm aufgesetzt werden.
Mit CAD- & BIM-Daten erleichtern wir Ihnen die digitale Planung von Bauprojekten.
3D-Zeichnungen eines Bauvorhabens ermöglichen eine sichere Planung und die Vernetzung projektrelevanter Informationen. Die originalgetreuen Visualisierungen sorgen durch eine gesteigerte Effektivität für Kostensicherheit, Termintreue und Qualität.
Gerne stellen wir Ihnen von einer Vielzahl unserer Artikeln CAD- und BIM-Daten in den drei Formaten DWG, IFC und NDW zur Verfügung.